Begin using Richtek Designer with our ACOT™ & current mode Buck converters. More simulation models will be released soon.
LED Driver
Quick Search
Configure Driver Source:
|
Topology:
Topology:
Topology:
|
|
Application:
Isolation:
|
Dimming:
Dimming:
|
|
Search
|
Featured Products
-
RT5047B
Single Output LNB Supply and Control Voltage Regulator
/>
-
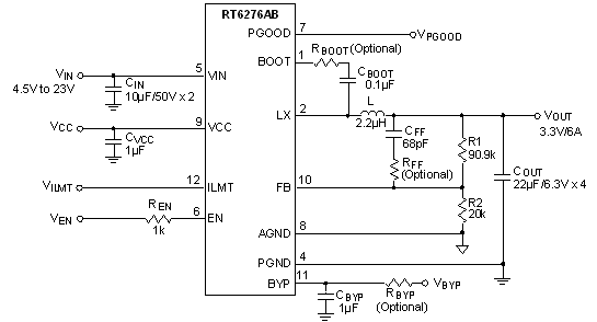
RT6276A/RT6276B
23V, 6A, 500kHz ACOTTM Synchronous Step-Down Converter
/>
-
RT6278A/RT6278B
23V, 8A, 500kHz ACOTTM Synchronous Step-Down Converter
/>
-
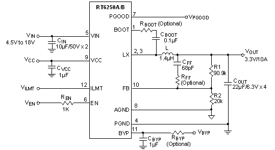
RT6250A/RT6250B
18V, 10A, 500kHz ACOTTM Synchronous Step-Down Converter
/>
-
RM05N60AJ
N-Channel 600V 1.4Ω Power MOSFET
/>
-
RT4813C
High Efficiency Boost Converter
/>
-
RT6218A/RT6218B
18V, 2A, ACOTTM Step-Down Converter in 8 Pin TSOT-23
/>
-
RT7075
3 Phase PMSM/BLDC Motor Controller with Gate Driver
/>
-
RTQ2103A-QA
2A, 6V, Low IQ ACOT Synchronous Step-Down Converter
/>
-
RT5509
Speaker Amplifier with Speaker Protection
/>
-
RT7100
3 Phase PMSM/BLDC Motor Controller
/>
-
RT9467
5A Single Cell Li-Ion Switching Battery Charger with Power Path Management and USB-OTG Boost Mode
/>
Video
Richtek LED Lighting solutions: T8, E17, E27, MR16, Linear LED Driver IC