loading
Richtek

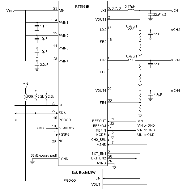
RT5091D是輸入電壓為3.3V或5V的SSD(固態硬碟)完全電源管理解決方案,內含3路高效率的同步Buck轉換器和1路線性穩壓器,可從單一電源獲得多個不同的電壓輸出,它具有足夠的靈活性以特定的上電時序支援使用不同VID的應用。
RT5091D可根據ASIC內核、DDR記憶體、快閃記憶體I/O和PHY的需求配置為不同的輸出電壓。通過其 I2C 介面,它支援動態電壓調節,可進入PS3.5/PS電源狀態將待機功率消耗降至最低。

應用

  • 固態硬碟
主要規格
RT5091D
Status Active
Vin (min) (V) 2.8
Vin (max) (V) 5.5
Number of Channels 4
Number of Buck Converters 3
Number of Boost Converters 0
Number of Negative Outputs 0
Number of LED Drivers 0
Number of LDO Regulators 1
Application SSD
Features Built-in Bootstrap Switch;COT Control;Current Mode Control;Cycle-by-Cycle Current Limit;Diode Emulation Mode;Fast Transient Response;High PSRR;I2C;Internal Compensation;Low Dropout;OCP;OVP;Power Good;SCP;Stable with Ceramic Capacitor;UVP
Package Type WQFN4x4-32
Outline Dimension, Footprint, Drawing Download
關鍵特性
  • 輸入電壓範圍:2.8V至5.5V
  • 三組可配置的高效Buck轉換器,預設工作頻率為2MHz
    ►CH1,ASIC內核電源,負載能力4A,輸出電壓可通過REFIN或I2C介面在0.7V至1.3V間以10mV為級距進行調節
    ►CH2,DRAM或NAND內核電源:
    Buck模式:固定或經FB2可調輸出電壓,負載能力2A
    旁通模式:負載開關及軟起動控制,負載能力4A
    ►CH3,快閃記憶體 I/O 電源,固定或經FB3可調輸出電壓,負載能力2A
  • 一路低耗電線性穩壓器為類比電路和PHY供電,負載能力300mA,固定或經FB4可調輸出電壓,負載能力300mA
  • 內建軟啟動和過流保護
  • 經STANDBY和PS3P5實現PS3.5和PS4電源狀態控制
  • 用兩個輸出端控制外部調節器/開關
  • 一個端子檢測外部調節器/開關輸出電壓
  • 經高速模式I2C介面對CH1輸出電壓進行調節
  • PGOOD輸出
  • 啟動期間的電源時序控制
  • 過壓保護、欠壓保護、欠壓鎖定保護、熱關機保護
  • 小型32引腳WQFN封裝
  • 過壓保護、欠壓保護、欠壓鎖定保護、熱關機保護
  • 小型32引腳WQFN封裝
Datasheet
TitleVersionLast UpdateDownload
RT5091D: SSD 電源管理ICInitial Release2019/03/27
Technical Documents
TitleItem TypeLast UpdateDownload
立錡全系列產品選擇指南 [Jan., 2025] Selection Guide2025/08/17
TOP