loading
Richtek

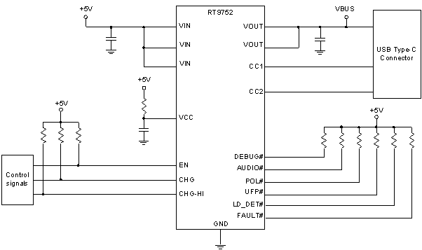
RT9752 是含有在截止狀態下具備 28V 高壓保護能力、導通狀態下可向 VBUS 提供 3A 電流供應能力的背靠背連接電源開關的 USB-C 型下行埠控制器,它具有可以偵測 USB 設備接入能力的通道配置( CC)功能,可在含有 USB 上型埠的設備經由含有電子標籤的電纜接入時向其提供 VBUS 電源供應和 VCONN 電源供應的能力,也能在使用 USB-C 型介面的音訊或調試配件接入時進行識別,還具有在具備電源角色切換能力的應用中防止外部接入的電源電流反向流入系統的能力。

應用

  • USB-C 型介面的充電器
  • 具有 USB-C 型主機介面的 PC 產品
主要規格
RT9752A RT9752AN RT9752B RT9752BN
Status Active Active Active Active
Number of Outputs 1 1 1 1
Vin (min) (V) 4.5 4.5 4.5 4.5
Vin (max) (V) 5.5 5.5 5.5 5.5
Ron (typ) (mOhm) 34 34 34 34
Iq (typ) (mA) 0.24 0.24 0.24 0.24
Current Limit (typ) (A) 1.7;3.4 1.7;3.4 1.7;3.4 1.7;3.4
FLAG Indicator Yes Yes Yes Yes
Iocp Adjustable Yes Yes Yes Yes
Safety Nemko;UL Nemko;UL Nemko;UL Nemko;UL
Switch Type Power Switch Power Switch Power Switch Power Switch
Features Adjustable Current Limit;Enable Input;OCP;OVP;SCP Adjustable Current Limit;Enable Input;OCP;OVP;SCP Adjustable Current Limit;Enable Input;OCP;OVP;SCP Adjustable Current Limit;Enable Input;OCP;OVP;SCP
Package Type WQFN3x4-20T(FC) WQFN3x4-20T(FC) WQFN3x4-20T(FC) WQFN3x4-20T(FC)
Outline Dimension, Footprint, Drawing Download Download Download Download
關鍵特性
  • 符合 USB-C 型介面標準的 DFP 控制器
  • 具有經 CC 線宣告標準 USB 或 1.5A/3A 供電的能力
  • 提供 VBUS 供電和放電能力
  • 為含有電子標籤的電纜提供 VCONN 電源供應
  • 輸入電壓範圍:4.5V~5.5V
  • 具有超快恢復能力的反向電壓保護
  • 低導通阻抗的 MOSFET 電源開關
  • 電流限制保護閾值可調
  • 高壓保護提供高可靠性
  • UL 認證編號:E219878
  • Nemko 認證編號:NO110026
Part NumberPackage TypePackage Qty.Free SampleDistributorStockBuy From Authorized Distributor
RT9752AGQWFWQFN3x4-20T(FC)1,500 Request Digikey 1,450 Buy
Mouser 742 Buy
TOP