2A, 18V, 500kHz, ACOT™ Step-Down Converter

EVB_RT6212AHGJ6F
ACTIVE

The RT6212A is a high-efficiency, monolithic synchronous step-down DC/DC converter that can deliver up to 2A output current from a 4.5V to 18V input supply. The RT6212A adopts ACOT architecture to allow the transient response to be improved and keep in constant frequency. Cycle-by-cycle current limit provides protection against shorted outputs and soft-start eliminates input current surge during start-up. Fault conditions also include output under voltage protection, output over current protection, and thermal shutdown.

Purpose

The RT6212A is a synchronous step-down converter with the input voltage range from 4.5V to 18V and provides 2A output current. This document explains the function and use of the RT6212A evaluation board (EVB), and provides information to enable operation, modification of the evaluation board and circuit to suit individual requirements.


Introduction

General Product Information

The RT6212A is a high-efficiency, monolithic synchronous step-down DC/DC converter that can deliver up to 2A output current from a 4.5V to 18V input supply. The RT6212A adopts ACOT architecture to allow the transient response to be improved and keep in constant frequency. Cycle-by-cycle current limit provides protection against shorted outputs and soft-start eliminates input current surge during start-up. Fault conditions also include output under voltage protection, output over current protection, and thermal shutdown.


Product Feature

  • Integrated 163mΩ/86mΩ MOSFETs
  • 4.5V to 18V Supply Voltage Range
  • 500kHz Switching Frequency
  • ACOT Control
  • 0.8V±1.5% Voltage Reference
  • Internal Start-Up into Pre-biased Outputs
  • Compact Package : TSOT-23-6 Pin
  • Over-Current Protection and Hiccup

 


Key Performance Summary Table

Key Features

Evaluation Board Number : PCB039_V1

Default Input Voltage

12V

Max Output Current

2A

Default Output Voltage

1.2V

Default Marking & Package Type

RT6212AHGJ6F, TSOT-23-6 (FC)

Operation Frequency

Fixed 500kHz



Bench Test Setup Conditions

Headers Description and Placement

Technical Document Image Preview

Please carefully inspect the EVB IC and external components, comparing them to the following Bill of Materials, to ensure that all components are installed and undamaged. If any components are missing or damaged during transportation, please contact the distributor or send e-mail to evb_service@richtek.com



Test Points

The EVB is provided with the test points and pin names listed in the table below.

Test point/

Pin name

Signal

Comment (expected waveforms or voltage levels on test points)

VIN

Input voltage

Power input.

EN

Enable test point

Floating this pin or connecting this pin to GND can disable the device and connecting this pin to logic high can enable the device.

GND

Ground

System Ground. Provides the ground return path for the control circuitry and low-side power MOSFET.

BOOT

Bootstrap supply test point

Bootstrap Supply for High-Side Gate Driver. Connect a 0.1µF or greater capacitor from LX to BOOT to power the high-side switch.

FB

Feedback Voltage Input.

This pin is used to set the desired output voltage via an external resistive divider. The feedback voltage is 0.8V typically.

LX

Switch node test point

LX is the switching node that supplies power to the output and

connect the output LC filter from LX to the output load.



Power-up & Measurement Procedure

1. Apply a 12V nominal input power supply (4.5V < VIN < 18V) to the VIN and GND terminals.

2. Set the jumper at JP2 to connect terminals 2 and 3, connecting EN to enable operation.

3. Verify the output voltage (approximately 1.2V) between VOUT and GND.

4. Connect an external load up to 2A to the VOUT and GND terminals and verify the output voltage and current.


Output Voltage Setting

Set the output voltage with the resistive divider (R2, R3) between VOUT and GND with the midpoint connected to FB. The output is set by the following formula :

Technical Document Image Preview


Schematic, Bill of Materials & Board Layout

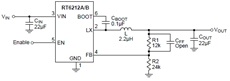
EVB Schematic Diagram

Technical Document Image Preview



Bill of Materials

Reference

Qty

Part Number

Description

Package

Manufacture

U1

1

RT6212AHGJ6F

DC/DC Converter

TSOT-23-6 (FC)

RICHTEK

C3, C9

2

C3225X5R1E226MT

22µF/25V/X7R

C-1210

TDK

C8

1

C1608X7R1H104K080AA

0.1µF/±10%/50V/X7R

C-0603

TDK

C1, C4, C6, C10, C11, C12, D2

7

N/A

R2

1

12kΩ

R-0603

R3

1

24kΩ

R-0603

R5

1

100kΩ

R-0603

L1

1

7443340220

2.2µH/12.5A

8.4 x 7.9 x 7.2 mm

WE



PCB Layout

Technical Document Image Preview

Top View (1st layer)

Technical Document Image Preview

PCB Layout—Inner Side (2nd Layer)

Technical Document Image Preview

PCB Layout—Inner Side (3rd Layer)

Technical Document Image Preview

Bottom View (4th Layer)

RT6212A/RT6212B
RT6212A/RT6212B

RT6212A/B 為高效率的DC-DC單片式同步整流轉換器,輸入電壓範圍從4.5V至18V,輸出電流至2A。RT6212A/B的採用的ACOT架構可增進暫態響應的表現並固定操作頻率。逐週期形式的限流機制可在輸出短路時提供電路保護作用,緩啟動機制則可消除啟動瞬間的輸入電流湧浪的問題。此外RT6212A/B提供輸出低電壓保護、輸出過電流與過熱關機保護功能。