loading

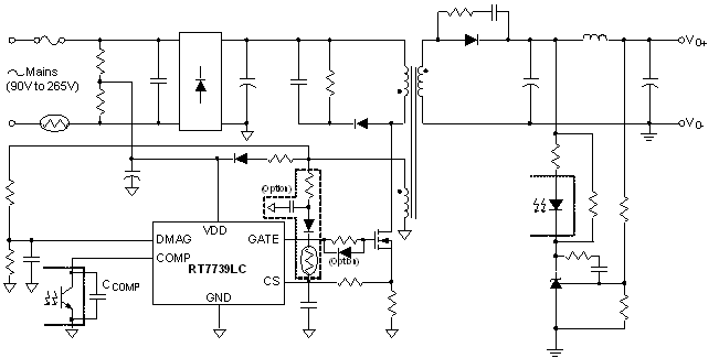
The RT7739LC series is an enhanced high-efficiency multi-mode PWM flyback controller, incorporating Richtek's proprietary SmartJitterTM technology. The innovative SmartJitterTM technology can reduce EMI emissions of a switch-mode power supply in green mode as well as eliminate output ripple due to frequency jittering. Also, the RT7739LC series features a multi-mode control scheme, operating from continuous-conduction mode (CCM) to discontinuous-conduction mode (DCM) with valley switching, to achieve high efficiency and optimal performance.

The RT7739LC is a current-mode PWM controller for flyback converters. It integrates comprehensive and programmable protection features, which include propagation delay compensation, output over-voltage protection (OVP), external over-temperature protection (OTP), and bulk-capacitor brown-in/brown-out protection. With the above features, the RT7739LC enables a cost-effective and compact design for a wide range of AC-DC conversion applications. It is available in a SOT-23-6 package.

Applications

  • Switching AC-DC Adapter
  • NB Adapter
  • TV/Monitor Standby Power
  • PC Peripherals
Key Spec.
RT7739LC
Status Active
Feedback Regulation Mode SSR
Switching Frequency_Normal (kHz) 65
Switching Frequency_Peak (kHz) 130
Peak load Application Yes
HV Start-up No
CCM/Valley Multi-mode CCM/Valley Switching Multi-mode
Programmable Burst/Green-mode No
Brown-in/out Yes (Buck cap.Side)
OVP OVP
External OTP Yes
UVLO ON (V) 16.5
UVLO OFF (V) 8
VDD OVP (V) 27
Features Current Mode Control;Cycle-by-Cycle Current Limit;OCP;OVP;PWM;SCP;UVP
Package Type SOT-26
Outline Dimension, Footprint, Drawing Download
Features
  • Proprietary SmartJitterTM Technology
    ► Reducing EMI Emissions of SMPS
    ► Eliminating Frequency-Jittering-Induced Output Ripple
  • Operating in Continuous-Conduction Mode (CCM), Discontinuous-Conduction Mode (DCM), DCM with Valley-Switching
  • Ultra-Low Start-Up Current (< 3μA)
  • Accurate Over-Current Protection (OCP)
  • Programmable Line Compensation
  • Programmable Output Over-Voltage Protection
  • Programmable External Over-Temperature Protection
  • Programmable Bulk-Capacitor Brown-In/Brown-Out Protection
  • Driver Capability : 200mA/-300mA
  • High Noise Immunity
TOP