This website stores cookies on your computer. These cookies are used to collect information about how you interact with our website and allow us to remember you. We use this information in order to improve and customize your browsing experience and for analytics and metrics about our visitors both on this website and other media. To find out more about the cookies we use, see our Cookie Statement. If you decline, your information won’t be tracked when you visit this website. A single cookie will be used in your browser to remember your preference not to be tracked. Find out more here.
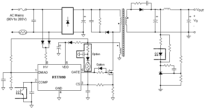
The RT7789D series is an enhanced high-efficiency multi-mode PWM flyback controller, incorporating Richtek's proprietary PowerZeroTM and SmartJitterTM technology. The innovative PowerZeroTM technology, featuring an integrated HV device, provides an excellent green power solution, while the SmartJitterTM technology can reduce EMI emissions of a switch-mode power supply in green mode as well as eliminate output ripple due to frequency jittering. Also, the RT7789D series features a multi-mode control scheme, operating from continuous-conduction mode (CCM) to discontinuous-conduction mode (DCM) with valley switching, to achieve high efficiency and optimal performance. The RT7789D is a current-mode PWM controller for flyback converters. It integrates comprehensive and programmable protection features, which include brown-in/brown-out protection, VDD over-voltage protection (VDD OVP), output over-voltage and under-voltage protection (Output OVP and UVP), secondary rectifier short-circuit protection (SRSP), and external over-temperature protection (External OTP). For constant output power regulation, a resistor connected to CS pin can be used to achieve accurate line compensation across the universal input voltage range. With the above features, the RT7789D enables a cost-effective and compact design for a wide range of AC-DC conversion applications. It is available in a SOP-8 package.
Proprietary PowerZeroTM Technology► Integrating a 700V Start-up Device► Brown-In/Brown-Out Protection
Proprietary SmartJitterTM Technology► Reducing EMI Emissions of SMPS► Eliminating Frequency-Jittering-Induced Output Ripple
Operating in Continuous-Conduction Mode (CCM), Discontinuous-Conduction Mode (DCM), and DCM with Valley Switching
Accurate Over-Current Protection (OCP)
Programmable Line Compensation
Programmable Output OVP and UVP
Programmable External OTP
Driver Capability : 300mA/-300mA
High Noise Immunity
RoHS Compliant and Halogen Free
Subscribe to receive the latest product news. (Login required)
.
Please check your email box and click validation url.