loading

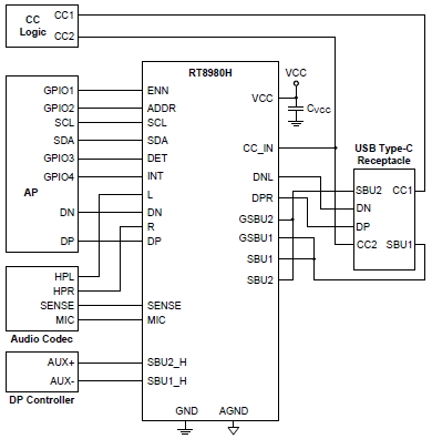
The RT8980H is a USB Type-C audio interface switch IC which supports analog audio headsets for mobile devices.

The RT8980H provides a general USB Type-C port to pass USB2.0 data signal (DP, DN), sideband use signal, analog audio R L signal, and analog microphone signal.

The RT8980H also supports high voltage protection for USB port and SBU port on USB Type-C receptacle side.

Applications

  • Mobile Phones
  • Tablets
  • Notebooks/PCs
  • USB-C Media Players
Key Spec.
RT8980H
Status Active
Package Type WL-CSP2.21x2.25-25(BSC)
Outline Dimension, Footprint, Drawing Download
Features
  • Power Supply : VCC = 2.7V to 5.5V
  • High Absolute Maximum Ratings, 24V of SBU1/2 and GSBU1/2. 20V of DPR/DNL
  • USB High Speed (480Mbps) Switch RON of 3Ω Typical
  • Audio Switch RON of 1Ω Typical
  • Negative Rail Capability : –3V to 3V
  • THD + N = –110dB; 1VRMS, f = 20Hz to 20kHz, 32Ω Load
  • OMTP and CTIA Pinout Support
  • Support Audio Sense GND Path
Datasheet
TitleVersionLast UpdateDownload
RT8980H: USB Type-C Analog Audio and USB SwitchInitial Release2021/01/12
Technical Documents
TitleItem TypeLast UpdateDownload
Richtek Product Selection Guide [Jan., 2026] Selection Guide2026/01/12
USB Type-C/PD Brief Introduction and Analysis App. Note2021/05/18
Part NumberPackage TypePackage Qty.DistributorStockBuy From Authorized Distributor
RT8980HWSCWL-CSP2.21x2.25-25(BSC)3,000 Digikey 0 Lead-Time: 14 weeks
3,000 Buy
TOP