This website stores cookies on your computer. These cookies are used to collect information about how you interact with our website and allow us to remember you. We use this information in order to improve and customize your browsing experience and for analytics and metrics about our visitors both on this website and other media. To find out more about the cookies we use, see our Cookie Statement. If you decline, your information won’t be tracked when you visit this website. A single cookie will be used in your browser to remember your preference not to be tracked. Find out more here.
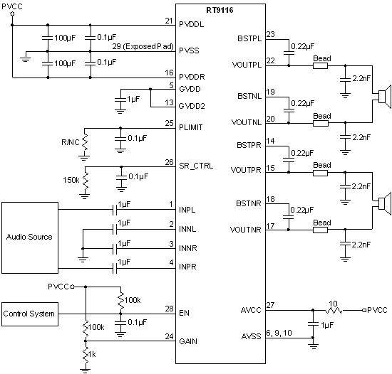
The RT9116 is a 10W per channel, high efficiency Class D stereo audio amplifier for driving bridge tied load (BTL) speakers. The RT9116 can drive stereo speakers with load as low as 4Ω. Its high efficiency eliminates the need for an extra heat sink when playing music. The gain of the amplifier can be controlled by gain select pins. The outputs are fully protected against shorts to GND, PVCC, and output to output with an auto recovery feature and monitored output. The RT9116 is available in the WQFN-28L 4x5 package.
8V to 17V Input Supply Range► 10W / CH for an 8Ω Load, 13V Supply at 10% THD +N► 15W / CH for an 8Ω Load, 16V Supply at 10% THD +N► 90% Efficiency Eliminates Need for Heat Sink
DC Detect Protection
Filter-Less Operation
Over-Temperature Protection (OTP) with Auto Recovery Option
Surface Mount 28-Lead WQFN Package
Subscribe to receive the latest product news. (Login required)
.
Please check your email box and click validation url.