loading

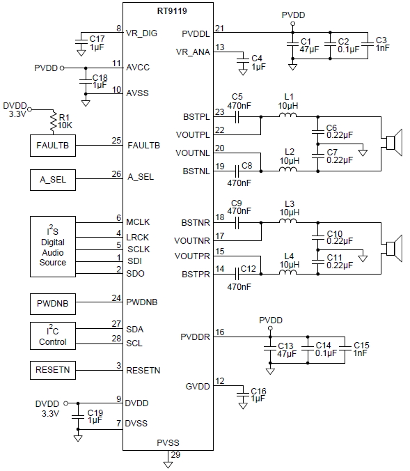
The RT9119 is a high efficiency, I2S-input, stereo channel audio power amplifier delivering 2x20W into 8Ω BTL speaker loads. It can deliver over 90% power efficiency and eliminate the need for heat-sink.

The built-in anti-pop functions can reduce the speaker′s pop noise under all kind of scenarios. Built-in protection circuits can provide over-temperature, over-current, over-voltage, DC and under-voltage protections and report error status.

The RT9119 is an I2S device receiving all clocks from external sources. It can support both master and slave mode with wide input sampling rate from 8kHz to 96kHz. A fully programmable data path routes these channels to the internal speaker drivers.

The RT9119 features three band DRC and flexible multi-band biquads for anti-clipping, power limiting, and speaker equalization.

Applications

  • LCD-TV
  • Monitors
  • Home Audio
  • Amusement Equipment
  • Electronic Music Equipment
Key Spec.
RT9119
Status Active
Output Channels 2
Vin (min) (V) 8
Vin (max) (V) 26.4
Pout @THD+N=10% (W) 9
Pout @THD+N=1% (W) 6.5
SNR (dB) 100
Amplifier Type Class-D
Features OCP;OTP;OVP;UVP
Package Type VQFN4x5-28
Outline Dimension, Footprint, Drawing Download
Features
  • Wide Input Supply Range : 8V to 26.4V
  • 2x20W at into 8Ω BTL at 20V
  • 2x9W at into 8Ω BTL at 12V
  • Support Stereo Channels Output
  • Sampling Frequency from 8kHz to 96kHz
  • Built-In Anti-Pop Function for BTL BD Modulations
  • 36 Programmable Biquads for Speaker Equalization
  • Programmable Coefficients for DRC Filters and Supporting Multi-Compression Ratios
  • Built-In DC Blocking Filters
  • Protection Features : UVLO, OVP, OCP, OTP and DCP
  • Filter-Less Application
  • VQFN-28L Thermally-Enhanced Package
  • RoHS Compliant and Halogen Free
Technical Documents
TitleItem TypeLast UpdateDownload
Richtek Product Selection Guide [Jan., 2025] Selection Guide2025/01/13
Part NumberPackage TypePackage Qty.Free SampleDistributorStockBuy From Authorized Distributor
RT9119GQVVQFN4x5-281,500 Request Digikey 1,481 Buy
Mouser 1,494 Buy
TOP