This website stores cookies on your computer. These cookies are used to collect information about how you interact with our website and allow us to remember you. We use this information in order to improve and customize your browsing experience and for analytics and metrics about our visitors both on this website and other media. To find out more about the cookies we use, see our Cookie Statement. If you decline, your information won’t be tracked when you visit this website. A single cookie will be used in your browser to remember your preference not to be tracked. Find out more here.
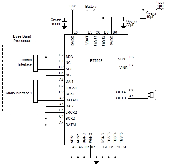
The RT5508 is a mono BTL class-D amplifier with cutting-edge speaker protection algorithm. Also, a built-in DC-DC step-up converter is used to provide efficient power for class-D amplifier. I2S interface supports two different audio sources while a pair of auxiliary DATAI/O is used for stereo mode or pass-through application. Chip information including gain, speaker protection output or current sense is able to be monitored via DATAO through proper register setting. Speaker protection provides mechanical / thermal protection with accuracy of 10%/±10°C of rated limit.
Class-D Speaker AMP► 1.6W Output Power @ 5.3V, 8Ω Load, THD < 1%► 0/3/6/9/12/15dB Boost Gain► 20μV Output Noise @ 0dB Gain
Boost Converter► Adaptive Boost For Speaker, Boost from Battery Supply Up to Programmed Voltage, Max 5.3V► Power Modes : Adaptive Boost, Fixed Boost, Bypass Mode► Switching Frequency 2MHz, Maximum Output Current 1A► Support CCM / DCM Compensation, Feedback ADC► Digital Part : Voltage Loop in Boost Mode
Digital ► Digital Audio Interface Support I2S, Left-Justified, Right-Justified► I2S Sampling Rate Support up to 48kHz, 24-bit► Digital Filter, Digital Volume, Multi-Band DRC► Speaker Protection► Speaker Amplitude Estimation Accuracy : Error < 10% ► Bl Calibration Function► Temperature Sensing► Speaker Temperature Estimation Accuracy : Error < ±10°C
Subscribe to receive the latest product news. (Login required)
.
Please check your email box and click validation url.