loading

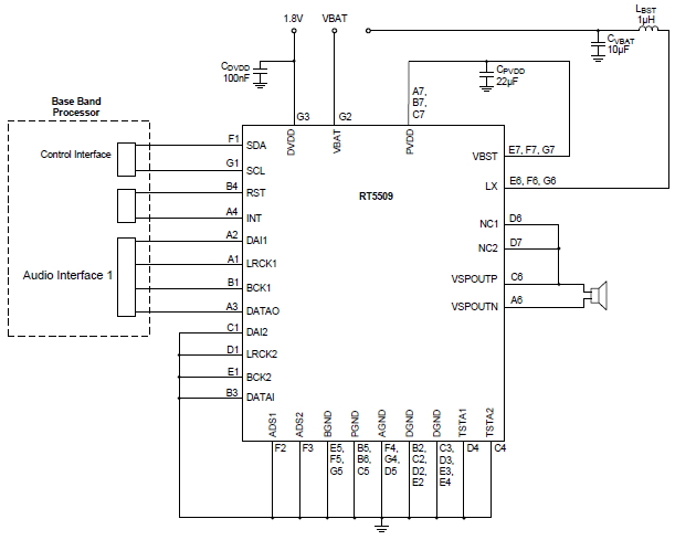
The RT5509 is a mono BTL class-D amplifier with cutting-edge speaker protection algorithm. Also, a built-in DC-DC step-up converter is used to provide efficient power for class-D amplifier. I2S interface supports two different audio sources while a pair of auxiliary DATAI/O is used for stereo mode or pass-through application. Chip information including gain, speaker protection output or current sense is able to be monitored via DATAO through proper register setting. Speaker protection provides mechanical / thermal protection with accuracy of 10%/±10ºC of rated limit.

Applications

  • Smart Phone
  • Tablet
Key Spec.
RT5509
Status Last Time Buy 
Output Channels 1
Vin (min) (V) 2.7
Vin (max) (V) 5.5
Pout @THD+N=10% (W) 5.4
Pout @THD+N=1% (W) 4.3
SNR (dB) 100
Amplifier Type Class-D;Class-G
Features OCP;OTP;OVP;UVLO
Package Type WL-CSP3.04x2.99-48(BSC)
Outline Dimension, Footprint, Drawing Download
Features
  • Class-D Speaker AMP
    ► 4.3W Output Power @ 9.5V, 8Ω Load, THD < 1%
    ► 0/3/6/9/12/15/18dB Boost Gain
    ► 20μV Output Noise @ 0dB Gain
  • Boost Converter
    ► Adaptive Boost for Speaker, Boost from Battery Supply Up to Programmed Voltage, Max 9.5V
    ► Power Modes : Adaptive Boost, Fixed Boost, Bypass Mode
    ► Switching Frequency 2MHz, Maximum Output Current 1.5A
    ► Support CCM / DCM Compensation, Feedback AD
    ► Digital Part : Voltage Loop in Boost Mode
  • Digital
    ► Digital Audio Interface Support I2S, Left-Justified, Right-Justified
    ► I2S Sampling Rate Support Up to 48kHz, 24-bit
    ► Digital Filter, Digital Volume, DRC/Noise Gate
    ► Speaker Protection
    ► Speaker Amplitude Estimation Accuracy : Error < 10%
    ► Bl Calibration Function
    ► Temperature Sensing
    ► Speaker Temperature Estimation Accuracy : Error < ±10ºC
Technical Documents
TitleItem TypeLast UpdateDownload
Richtek Product Selection Guide [Jan., 2026] Selection Guide2026/01/12
Power Management for Video Doorbell App. Note2021/10/08
Part NumberPackage TypePackage Qty.DistributorStockBuy From Authorized Distributor
RT5509WSCWL-CSP3.04x2.99-48(BSC)1,500 Digikey 339 Last Time Buy
2026/06/30
1,500 Last Time Buy
2026/06/30
TOP