This website stores cookies on your computer. These cookies are used to collect information about how you interact with our website and allow us to remember you. We use this information in order to improve and customize your browsing experience and for analytics and metrics about our visitors both on this website and other media. To find out more about the cookies we use, see our Cookie Statement. If you decline, your information won’t be tracked when you visit this website. A single cookie will be used in your browser to remember your preference not to be tracked. Find out more here.
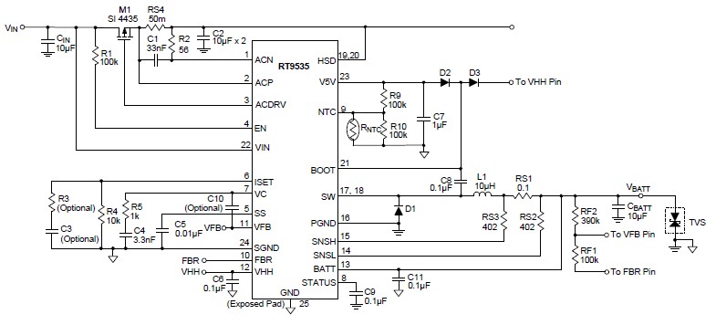
The RT9535 is a PWM switch mode battery charger controller to fast charge single or multiple Li-Ion, NiMH and NiCd batteries, using constant current or constant voltage control. Maximum current can be easily programmed by external resistor. The constant voltage output can support up to 22V with 0.5% accuracy. A third control loop limits the input current drawing from the adapter during charging. This allows simultaneous operation of the equipment and fast battery charging without over loading to the adapter. The RT9535 can charge batteries from 2.5V to 22V with dropout voltage as low as 0.4V. A logic output indicates Li-Ion full charge when current drops to 17% of the full-scale programmed charge current. The RT9535 is available in the WQFN-24L 4x4 package.
Fast Charging for Li-Ion, NiMH and NiCd Batteries
Adjustable Battery Voltages from 2.5V to 22V
High Efficiency : Up to 95%
Charging Current Programmed by Resistor
Precision 0.5% Charging Voltage Accuracy
Provide 5% Charging Current Accuracy
Input Current Limit Maximizes Charging Rate
500kHz Switching Frequency
Flag Indicates Li-Ion Charge Completion
Auto Shutdown with Adapter Removal
Only 10μA Battery Reverse Current when Idle
Subscribe to receive the latest product news. (Login required)
.
Please check your email box and click validation url.