loading

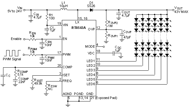
The RT8543A is a high efficiency white LED driver. It is designed for LCD panel that employs an LED array as the lighting source. An integrated switch current mode Boost controller drives six strings in parallel and supports up to 10 pieces of LEDs per string. The internal current sinks support maximum ±2% current matching for excellent brightness uniformity in each LED string. To provide enough headroom for the operating of current sink, Boost controller monitors the minimum voltage of feedback pins and regulates an optimized output voltage for power efficiency.

The RT8543A has wide input voltage range from 2.5V to 24V and provides adjustable 5mA to 50mA LED current. The internal 200mΩ, 43V power switch with current-mode control provides cycle-by-cycle over-current protection. The RT8543A also integrates PWM and analog dimming functions for accurate LED current control. The input PWM dimming frequency can operate from 100Hz to 20kHz without inducing any inrush current in LED or inductor.

The RT8543A is available in thin WQFN-20L 4x4 package.

Applications

  • UMPC and Notebook Computer Backlight
Key Spec.
RT8543A
Status Active
Vin (min) (V) 2.5
Vin (max) (V) 24
SW Freq (typ) (kHz) 600
Number of LEDs (max) (pcs) 13
Iout (max)/channel (mA) 50
Iq (typ) (mA) 4
Dimming Control PWM
Topology Boost + Current Source
Features Adjustable Frequency;Current Mode Control;Cycle-by-Cycle Current Limit;Enable Input;OCP;OVP
Package Type WQFN4x4-20
Outline Dimension, Footprint, Drawing Download
Features
  • Wide Input Voltage : VIN 2.5V to 24V
  • High Output Voltage : VOUT up to 43V
  • Current Mode Boost Regulator
    ► 600kHz to 1.2MHz Switching Frequency
    ► Up to 85% High Frequency
  • Adjustable Full Channel Current from 5mA to 50mA and Matched to 2%
  • Channel Current Regulation with ±3% Accuracy
  • Dimming Controls
    ► Direct PWM Dimming up to 20kHz and Minimum On-Time to 500ns
    ► PWM to Analog Dimming up to 20kHz with 8 bit resolution
  • Built-In Soft-Start to Prevent Inrush Current without External Capacitor
  • Disconnects LED in Shutdown
  • Protection
    ► Strings Open Detection
    ► Current Limit Protection
    ► Adjustable Over-Voltage Protection
    ► Over-Temperature Protection
  • 20-Lead WQFN Package
  • RoHS Compliant and Halogen Free
TOP