RT9396

I2C Interface PMIC with 6-Channel WLED Driver and 4-LDO

RT9396
New

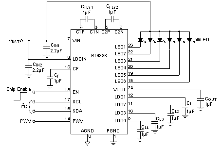
The RT9396 is a power management IC (PMIC) for backlighting and phone camera applications. The PMIC contains a 6-Channel charge pump white LED driver and four low dropout linear regulators.
The charge pump drives up to 6 white LEDs with regulated constant current for uniform intensity. Each channel (LED1 to LED6) supports up to 25mA of current. These 6-Channels can be also programmed as 4 plus 2-Channels or 5 plus 1-Channel with different current setting for auxiliary LED application. The RT9396 maintains highest efficiency by utilizing a x1/ x1.5/ x2 fractional charge pump and low dropout current regulators. An internal 6-bit DAC is used for backlight brightness control. Users can easily configure up to 64 steps of LED current via the I2C interface control.
The RT9396 also comprises low noise, low dropout regulators, which provide up to 200mA of current for each of the four channels. The four LDOs deliver 3% output accuracy and low dropout voltage of 200mV @ 200mA. Users can easily configure LDO output voltage via the I2C interface control. The LDOs also provide current limiting and over temperature functions.
The RT9396 is available in a WQFN-24L 3x3 package.

Applications

  • Cellular Phones
  • PDAs and Smart Phones

Key Spec.

RT9396
Status EOL
Vin (min) (V) 2.8
Vin (max) (V) 5
SW Freq (typ) (kHz) 1000
Number of LEDs (max) (pcs) 6
Iout (max)/channel (mA) 25
Iq (typ) (mA) 1;3.5
Dimming Control I2C;PWM
Topology Charge Pump
Features Enable Input;OVP
Package Type WQFN3x3-24(COL)

Features

  • Tri-Mode (x1/x1.5/x2) Charge Pump

  • Maximum 25mA x 6-Channel LED Backlighting Output Current

  • Support Main/Sub (4+2/5+1) LED Function

  • 64 Steps Programmable LED Current

  • Support PWM Dimming Function

  • Fade In/Out Via I2C Control

  • 4 Low Dropout Regulators

  • Maximum 200mA x 4-Channel LDO Output Current

  • 16-Level LDO Output Voltage Setting

  • I2C Programmable Independent LDO Channel ON/OFF Control

  • Over Temperature Protection

  • Thin 24-Lead WQFN Package

  • RoHS Compliant and Halogen Free