loading

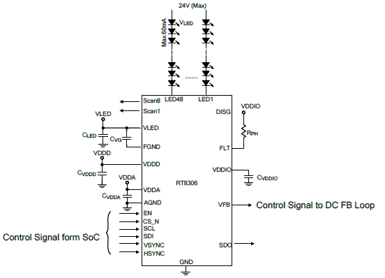
The RT8306 is a 48-CH high precision constant current LED driver with 12-bit PWM control for the timing scanning applications of LED backlight. The RT8306 has 48 Channels flexible PWM generators and independent 12-bit PWM brightness were control LED current for every channel. Moreover, it has one global high accurate 8-bit IDAC which sets the LED peak current. And 48 independent 8-bit DACs can be used to boost or decrease LED Current for high dynamic range application.

The constant current sink channels on the LED drivers are capable of sinking 60mA of current and its level can be set by register address 0561 [7:0] from 5mA to 60mA. The RT8306 provides ±2% high accuracy current each channel. It also supports the local dimming and global dimming by independent PWM generators with programmable PWM duty cycle, period and delay. Moreover, the RT8306 provides Dynamic Headroom Control (DHC) function which can generate feedback signal to DC-DC control loop and regulate the output voltage.

The RT8306 also provides LED open/short protection. If there is any channel open or short, the FLT pin will pull low and the output channel will be turned off individually. The RT8306 is available in the WQFN-72L 8x8 package to achieve optimized solution for PCB space.

 

Applications

  • LCD TV, MNT Display Backlight
  • General Purpose Constant Current Source
  • Architectural and Decorative LED Lighting
Key Spec.
RT8306
Status Active
Vin (min) (V) 4.5
Vin (max) (V) 5
Vout (max) (V) 24
LED Channels 48
Topology Current Source
SW Freq (typ) (kHz) NA
Vcs (typ) (mV) NA
Dimming Control Analog;PWM;SPI
Features Adjustable Frequency;Backlight;External Synchronization;Power Good;SCP
Package Type WQFN8x8-72
Outline Dimension, Footprint, Drawing Download
Features
  • Wide Current Range : 5mA to 60mA
  • Programmable Channel Current (8-bit Resolutions)
  • Low Dropout Voltage : 400mV at 60mA
  • Support Dot Correlation Function
  • Support HDR Mode
  • Dimming Mode :
    ► PWM Mode for Scan and Non-Scan Type
    ► Direct PWM Mode
    ► DC Mode
  • ±2% Accuracy Current for Wide Current Range
  • LED Current Rising and Falling Slop Control
  • Fault Detection for LED Open/Short
  • Under-Voltage Lockout and Thermal Shutdown
  • Integrated Dynamic Headroom Control (DHC)
  • Support 1D/2D/3D Dimming (Programmable Channel Delay, Individual PWM Duty Control, Automatic VSYNC Synchronization)
  • 25MHz Max SPI Interface with Daisy chain
  • Flexible Daisy-Chained SPI Interface
  • RoHS Compliant and Halogen Free
Technical Documents
TitleItem TypeLast UpdateDownload
Richtek Product Selection Guide [Jan., 2025] Selection Guide2025/01/13
TOP