This website stores cookies on your computer. These cookies are used to collect information about how you interact with our website and allow us to remember you. We use this information in order to improve and customize your browsing experience and for analytics and metrics about our visitors both on this website and other media. To find out more about the cookies we use, see our Cookie Statement. If you decline, your information won’t be tracked when you visit this website. A single cookie will be used in your browser to remember your preference not to be tracked. Find out more here.
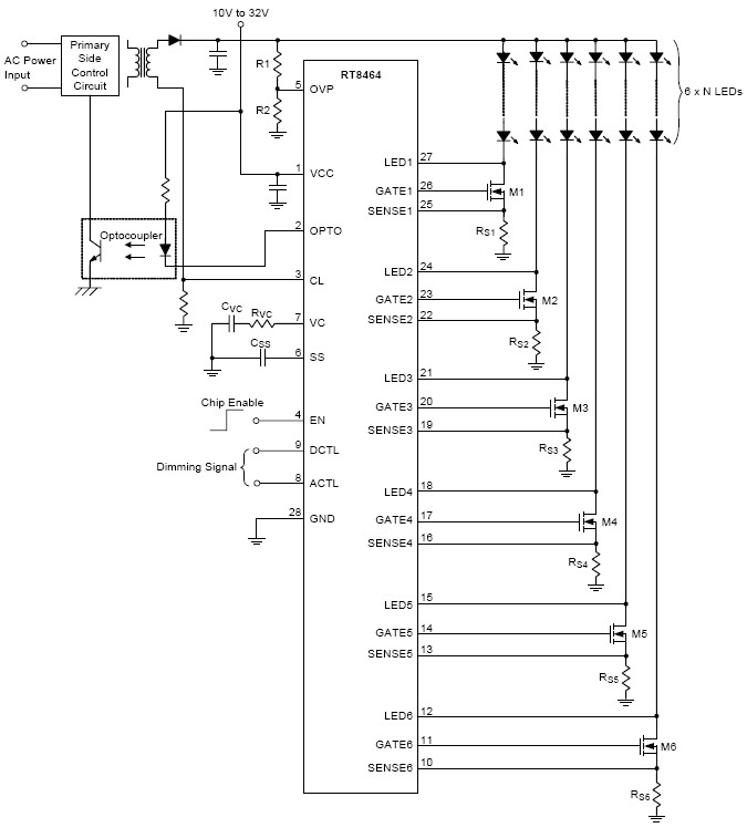
The RT8464 is an isolated secondary side 6-CH LED driver that delivers well matched LED current to each channel of LED strings. A built-in optocoupler driver supports the transformer primary side control circuit to regulate the LED current. The LED current is linearly controlled by a high gain amplifier that drives the optocoupler to control the primary side, thus making the conventional secondary DC/DC PWM switching stage unnecessary. The RT8464 selects and regulates the LED strings with the highest voltage, hence it allows voltage mismatches between LED strings. The RT8464 automatically detects and disconnects any unconnected and/or broken strings during operation from the PWM loop to prevent VOUT from over voltage. The LED currents on all channels can be simply programmed with a resistor on each channel. Three convenient dimming methods are provided : 1. Analog dimming is linearly controlled by an external voltage; 2. True digitally controlled PWM dimming controls duty cycle of LED current; 3. PWM dimming signal can also be easily filtered into analog dimming signal for noise-free PWM dimming by the low pass filter with an external capacitor at ACTL pin. Other protecting features include output over voltage protection and thermal shutdown. The RT8464 is available in the SOP-28 package.
High Voltage : VCC up to 32V
Channel Current Programmable
3% Current Sense Threshold Voltage
Easy Analog and Digital Dimming Control
Adjustable Soft-Start to Avoid Inrush Current
Automatic Detecting Unconnected Channel
Adjustable Over Voltage Protection to Limit Output Voltage
Thermal Shutdown Under Voltage Lockout
SOP-28 Package
RoHS Compliant and Halogen Free
Subscribe to receive the latest product news. (Login required)
.
Please check your email box and click validation url.