This website stores cookies on your computer. These cookies are used to collect information about how you interact with our website and allow us to remember you. We use this information in order to improve and customize your browsing experience and for analytics and metrics about our visitors both on this website and other media. To find out more about the cookies we use, see our Cookie Statement. If you decline, your information won’t be tracked when you visit this website. A single cookie will be used in your browser to remember your preference not to be tracked. Find out more here.
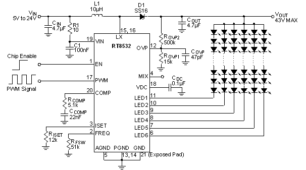
RT8532 是高效率的白光 LED 驱动器,设计用于驱动作为 LCD 屏光源的 LED 数组。集成了功率开关的电流模式 Boost 转换器可驱动6串并联连接的 LED 串,每串可有多达10只 LED 连接在一起。每个内置电流源支持最大 ±2% 的电流误差,确保每串 LED 都有优异的亮度一致性。为了提供足够的操作余量给每个电流源, Boost 控制器对每个回馈端子进行监控并调节至最优化之输出电压以获取最好之效率。 RT8532 可以 2.5V~24V 之宽阔的输入电压范围输出 5mA~50mA 可调之电流,内部 200mΩ、 43V 功率开关以电流模式控制方式提供逐周期过流保护,还集成了 PWM 和仿真调光功能以取得精确的 LED 电流控制。PWM 调光信号的频率范围在 100Hz~20kHz 之间,调光时不会在 LED 中出现冲击电流。RT8532 的封装式 WQFN-20L 3x3。
宽输入电压范围: 2.5V~24V
高输出电压:VOUT 高达 43V
可程序设计电流范围:5mA~50mA ;匹配误差:2%
通道电流调整精度:±3%
调光控制
直接 PWM 调光频率高达 20kHz,最小导通时间为500ns
PWM 转“模拟+PWM”混合式调光,信号频率可高达 20kHz,最高分辨率可达9位
无需外部电容,内建软起动避免冲击电流
关机模式下断开 LED 连接
保护
LED 串开路保护
电流限制保护
可程序设计过压保护
过热保护
20引脚 WQFN 封装
符合 RoHS 规范,不含卤素
订阅接收最新产品讯息 (请先登入)
.
Please check your email box and click validation url.