loading

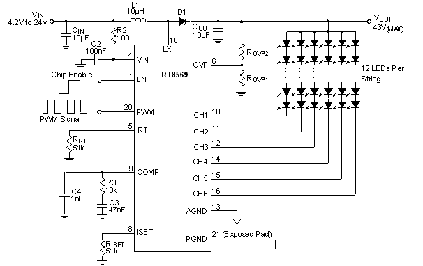
The RT8569 is a high efficiency driver for white LEDs. It is designed for LCD panels that employ an array of LEDs as the lighting source. An integrated current mode boost controller drives six strings in parallel and support up-to 12 WLEDs per string. The internal current sinks support a maximum of ±2% current mismatching for excellent brightness uniformity in each string of LEDs. To provide enough headroom for current sink operation, the boost controller monitors the minimum voltage of the feedback pins and regulates an optimized output voltage for power efficiency.

The RT8569 has a wide input voltage range from 4.2V to 24V and can provide adjustable LED current from 5mA to 40mA. The internal 200mΩ, 43V power switch with current-mode control provides cycle-by-cycle over current protection. The RT8569 also integrates PWM dimming function for accurate LED current control. The input PWM dimming frequency can operate from 200Hz to 25kHz without inducing any inrush in LED current or inductor current. The switching frequency of the RT8569 is also adjustable from 500kHz to 2MHz, which allows flexibility between efficiency and component size.

The RT8569 is available in a thin WQFN-20L 4x4 package.

Applications

  • UMPC and Notebook Computer Backlight
  • GPS, Portable DVD Backlight
Key Spec.
RT8569
Status Active
Vin (min) (V) 4.2
Vin (max) (V) 24
Vout (max) (V) 43
LED Channels 6
Topology Boost
SW Freq (typ) (kHz) 1000;2000;500
Vcs (typ) (mV) 1000
Dimming Control PWM
Features Adjustable Frequency;Enable Input;OCP;OVP
Package Type WQFN4x4-20
Outline Dimension, Footprint, Drawing Download
Features
  • Wide Input Voltage : 4.2V to 24V
  • High Output Voltage : Up to 43V
  • Programmable Channel Current : 5mA to 40mA
  • Channel Current Regulation with Accuracy ±3% and Matching ±2%
  • Dimming Controls : External PWM Input Up to 25 kHz
  • Adjustable Switching Frequency : 500kHz to 2MHz
  • Build-In Soft-Start
  • Protections
    ► LED Strings Open Detection
    ► Current Limit Protection
    ► Programmable Over Voltage Protection
    ► Over Temperature Protection
  • 20-Lead WQFN Package
  • RoHS Compliant and Halogen Free
Datasheet
TitleVersionLast UpdateDownload
RT8569: 6 Strings 43V White LED DriverInitial Release2011/08/25
Technical Documents
TitleItem TypeLast UpdateDownload
Richtek Product Selection Guide [Jan., 2025] Selection Guide2025/01/13
Part NumberPackage TypePackage Qty.Free SampleDistributorStockBuy From Authorized Distributor
RT8569GQWWQFN4x4-201,500 Request Digikey 1,458 Buy
Mouser 0 Lead-Time: 14 weeks
TOP