This website stores cookies on your computer. These cookies are used to collect information about how you interact with our website and allow us to remember you. We use this information in order to improve and customize your browsing experience and for analytics and metrics about our visitors both on this website and other media. To find out more about the cookies we use, see our Cookie Statement. If you decline, your information won’t be tracked when you visit this website. A single cookie will be used in your browser to remember your preference not to be tracked. Find out more here.
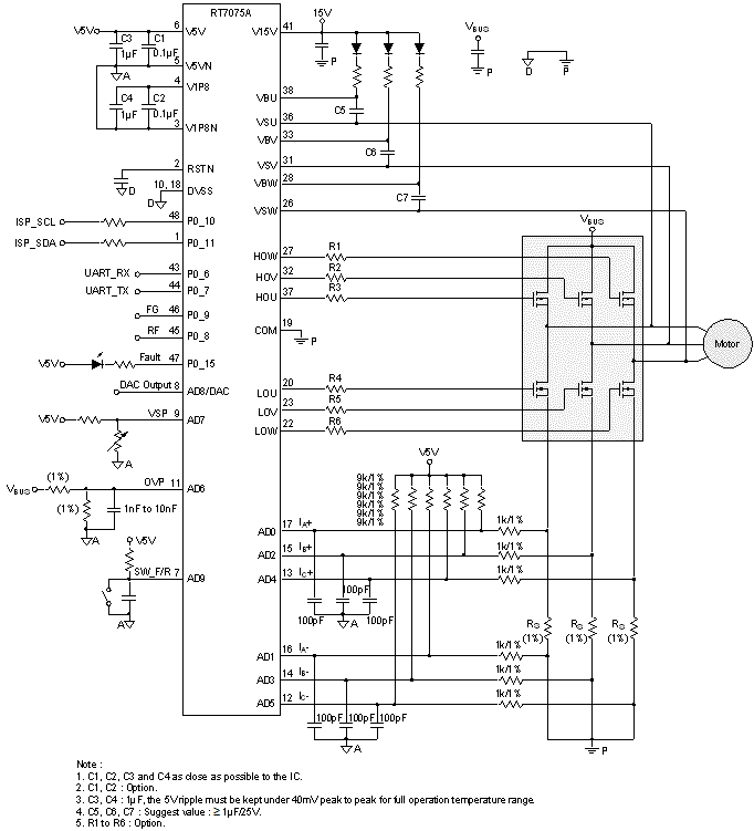
The RT7075A is a two-in-one application specific IC which consists of a 3-phase motor controller and a gate driver designed for PMSM/BLDC motor applications. The RT7075A integrates the ARM 32-bit Cortex-M0 core with peripheral circuits to perform field oriented control (FOC) and sensorless motor control. In additions, system level peripheral functions, such as ADC, DAC, communication interface, SVPWM, watchdog timer, current sensing, undervoltage-lockout (UVLO), short circuit protection(SCP) and locked-rotor protection are integrated so as to reduce component count, PCB size and system cost. Furthermore, the RT7075A drives external N-Channel MOSFETs in three half-bridge configuration with an external bootstrap network up to 600V. A dead time control is built-in to prevents shoot-through of the external N-Channel MOSFETs. The RT7075A is available in LQFP-48L 7x7 package.
Integrated 3 Phase PMSM/BLDC Controller with Gate Driver
Sensorless, Sinewave Field Oriented Control (FOC)
Protections : SCP, UVLO and Locked-Rotor Protection
PMSM/BLDC Motor Controller : ► ARM 32-Bit Cortex-M0 CPU, Up to 60MHz► Memories Size : 16KB MTP, Internal ROM with Embedded Motor Control Library and 4KB SRAM► Power Management : Normal or Deep Sleep► Programming Soft-Start► Communication Interface : I2C and UART ► 10-Channel 10-Bit ADC ► 1-Channel Current Type 6-Bit DAC► 1-Channel Voltage Type 8-Bit DAC
Gate Driver : ► Floating Channel Designed for Bootstrap Operation up to 600V ► Sourcing/Sinking Current : 290mA/600mA► Matched Propagation Delays for All Channels► VV15V and VVBU/V/W Supply Range : 13V to 20V
RT7075AGPL with Firmware Code UXYYY Certified by UL for IEC-60730-1 Class B Compliance with Recognized Marking :
UL Certified No. E478780 (UL60730)
Subscribe to receive the latest product news. (Login required)
.
Please check your email box and click validation url.