loading

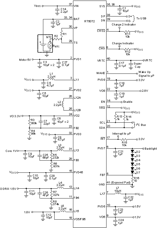
The RT5072 is a complete power supply solution for digital still cameras and other hand held devices. The RT5072 is composed of a multi-channel DC/DC power converter unit, a single-cell linear Li-ion battery charger, a charger type detector, and an I2C control interface.

The power converter unit includes one synchronous step-up converter (CH1), one synchronous step-up/down converter (CH2), three synchronous step-down converters (CH3/4/5), two LDOs with input power as low as 1.5V (CH6/8), one WLED driver in synchronous high-voltage step-up mode or low-voltage current regulator mode (CH7), and a keep-alive LDO (CH9) for RTC application. All converters are internally frequency compensated and integrate power MOSFETs. The power converter unit provides complete protection functions : over-current, thermal shutdown, over-voltage, and under-voltage protection. The RT5072 has a WAKEUP impulse generation circuitry to monitor VIN or BAT installation event. To fulfill most of applications, the RT5072 has six preset power-on/off sequences.

The battery charger includes Auto Power Path Management (APPM). No external MOSFETs are required. The charger can enter sleep mode when power is removed. Charging tasks are optimized by using a control algorithm to vary the charge rate, including pre-charge mode, fast charge mode and constant voltage mode. The charge current can also be programmed via the I2C control interface. The battery regulation voltage and current can be adjusted by JEITA standard temperature control or other schemes set via the I2C interface. The internal thermal feedback circuitry regulates the die temperature to optimize the charge rate for all ambient temperatures. The charging task will always be terminated in constant-voltage mode when the charging current reduces to the termination current of 10% x ICHG_FAST. The charger includes under-voltage and over-voltage protection for the supply input voltage, VIN. The charger includes USB charger detection circuitry via D+ and D- pins of USB interface to detect USB standard downstream ports (SDP), USB charging downstream port (CDP), dedicated charger port (DCP), or Apple/Sony charger ports. RT5072 uses some indicators to show charger states : two open drain ports CHG and CHG2, and an interrupt (INT) to immediately notify the state change.The RT5072 has I2C interface to control rich functions of Power Converter Unit and Charger Unit, and is available in the WQFN-40L 5x5 package.

Applications

  • DSC Power Supply System
  • CMOS-Sensor DV
  • Portable Devices
Key Spec.
RT5072
Status EOL
Vin (min) (V) 4.4
Vin (max) (V) 6
Number of Channels 9
Number of Buck Converters 3
Number of Boost Converters 1
Number of Negative Outputs 0
Number of LED Drivers 1
Number of LDO Regulators 3
Application Portable Device
Features Current Mode Control;I2C;Internal Compensation;OCP;OVP;Power Good;UVP
Package Type WQFN5x5-40
Outline Dimension, Footprint, Drawing Download
Features
  • Power Converter Unit
  • CH1 LV Sync Step-Up
    ► Support Up to 1A Loading, DVS (Dynamic Voltage Scaling), Load-Disconnect, Up to 95% Efficiency, PSM/PWM Selectable
  • CH2 LV Sync Step-Up/Down
    ► Support Up to 1A Loading, DVS, Up to 95% Efficiency, PSM/PWM Selectable
  • CH3/4 LV Sync Step-Down
    ► Support Up to 3A (CH3) / 2A (CH4) Loading, DVS, Up to 95% Efficiency, 100% (MAX) Duty Cycle, PSM/ PWM Selectable
  • CH5 LV Sync Step-Down
    ► Support Up to 0.6A Loading, Up to 95% Efficiency, 100% (MAX) Duty Cycle
    ► Output Voltage can be Selected from Preset List or Set by External Feedback Network
  • CH6 Low Input Power LDO
    ► VIN Range 1.5V to 5.5V
    ► Output Voltage Level Selectable in I2C Register
  • CH7 WLED Driver in Either Sync Step-Up Operation or Current Regulator Operation
    ► Step-Up Mode with LED Open Protection (OVP7 16V or 25V, Selectable in I2C Register)
    ► Step-Up Mode Support Series 2 to 6 WLED and Load Disconnect Function
    ► Current Regulator Mode for 1 WLED
    ► 31 WLED Dimming Levels
    ► Automatic Mode Selection by External Circuit Topology
  • CH8 Generic LDO
    ► VIN Range 1.5V to 5.5V
    ► Output Voltage Level Selectable in I2C Register
  • CH9 Low Quiescent LDO with Reverse Leakage Prevention for RTC Power Supply
    ► Fixed 3.05V Output
  • Six Preset Power On/Off Sequences by One Pin SEQ
    ► SEQ # 0 : CH2® CH3® CH4
    ► SEQ # 1 : CH1® CH3® CH2 ®CH4
    ► SEQ # 2 : CH1® CH3 ®CH4® CH2
    ► SEQ # 3 : CH1® CH2® CH4® CH3
TOP