This website stores cookies on your computer. These cookies are used to collect information about how you interact with our website and allow us to remember you. We use this information in order to improve and customize your browsing experience and for analytics and metrics about our visitors both on this website and other media. To find out more about the cookies we use, see our Cookie Statement. If you decline, your information won’t be tracked when you visit this website. A single cookie will be used in your browser to remember your preference not to be tracked. Find out more here.
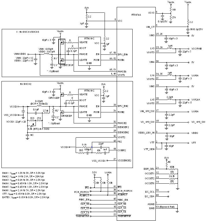
RT5074A是集成了3组Buck控制器 (VNN, VCCGI, VDDQ)、3个Buck转换器 (VCCRAM, V1P8A, V1P24A)、1个开关 (V1P8U/V1P8S) 和1路线性稳压器 (VTT) 的电源管理IC,是专门针对Intel Apollo Lake (APL) 平台处理器的低成本电源解决方案,采用WQFN-52L 6x6封装形式供货。
3组Buck控制器
3个Buck转换器
1个开关
1路低压差线性稳压器
I2C从机控制器
中断控制器
内置软起动
支持Apollo Lake的时序控制
快速瞬态响应
仅需MLCC即可稳定工作
Buck含OVP、UVP、OCP等保护功能
支持LPDDR3、DDR3L 和LPDDR4等内存
支持S0iX状态,助力Win8和Android移动系统实现在线待机
52引脚WQFN封装
订阅接收最新产品讯息 (请先登入)
.
Please check your email box and click validation url.