This website stores cookies on your computer. These cookies are used to collect information about how you interact with our website and allow us to remember you. We use this information in order to improve and customize your browsing experience and for analytics and metrics about our visitors both on this website and other media. To find out more about the cookies we use, see our Cookie Statement. If you decline, your information won’t be tracked when you visit this website. A single cookie will be used in your browser to remember your preference not to be tracked. Find out more here.
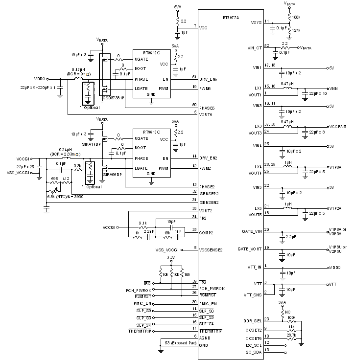
The RT5077A is a highly-Integrated multi-channel power management solutions to meet the performance, efficiency and feature requirements for INTEL GLK platform. This device provides 2 step-down controllers, 4 step-down converters, 1 LDO and 1 load switch in one package.
Highly Integration : 2 Controllers, 4 Converters, 1 LDOs and 1 Switches
I2C Slave Controller
1% Reference Accuracy
Internal Soft-Start to Reduce Inrush Current
Integrated Sequencing Control for Gemini Lake
Pure MLCC Cap Stable
OTP, UVP, OVP, OCP
Load Discharge Function
Support S0iX State for Windows Connected Standby
Cost Effective 52-Lead WQFN Package
Subscribe to receive the latest product news. (Login required)
.
Please check your email box and click validation url.