RT5081

Highly-Integrated Sub-PMIC for Mobile Applications

RT5081
New

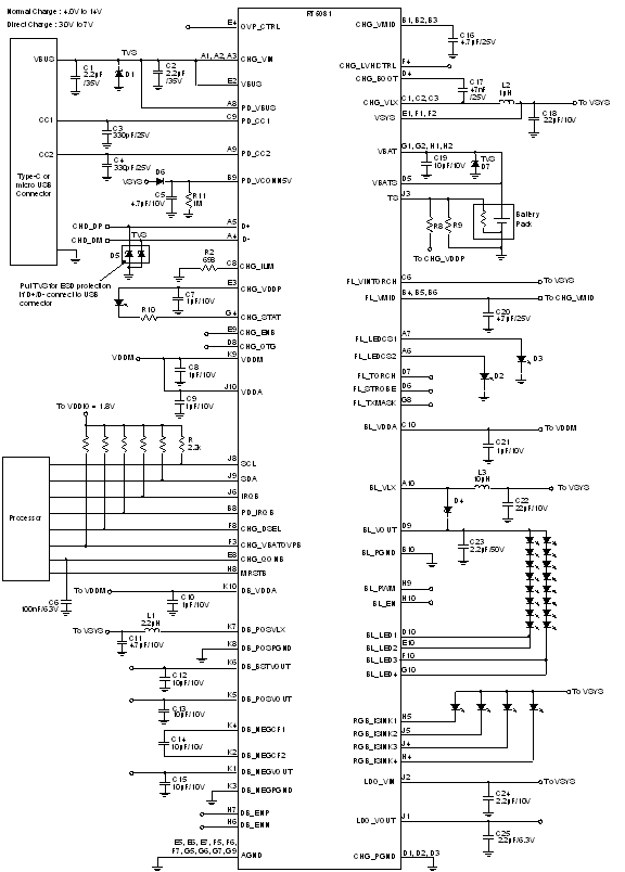
The RT5081 is a highly-integrated smart power management IC, which includes a single cell Li-Ion/Li-Polymer switching battery charger, a USB Type-C & Power Delivery (PD) controller, dual Flash LED current sources, a RGB LED driver, a backlight WLED driver, a display bias driver and a general LDO for portable devices. The switching charger integrates a synchronous PWM controller, power MOSFETs, input current sensing and input current regulation, high-accuracy voltage regulation, and charge termination circuitry. Besides, the charge current is regulated through the integrated sensing resistors. It also features USB On-The-Go (OTG) support.

The USB Type-C & PD controller complies with the latest USB Type-C and PD standards. It integrates a complete Type-C transceiver including the Type-C termination resistors, Rp and Rd, and enables the USB Type-C detection including attach and orientation. It also integrates the physical layer of the USB BMC power delivery protocol, allowing power transfers and role swaps. The BMC PD function provides full support for alternate modes on the USB Type-C standard.

Dual independent current sources supply for each flash LED. The power for the current sources in strobe mode are from the CHG_VMID pin, which is supplied from the charger in reverse boost mode, the same operation as OTG mode of the charger. The high-side current sources, allowing for grounded-cathode connection for LEDs, provide strobe mode current levels from 50mA to 1.5A in a 12.5 mA step or from 25mA to 750mA in a 6.25mA step and torch mode current levels from 25mA to 400mA in a 12.5mA step. The two channels can support totally up to 2.5A.

The backlight WLED driver supports up to a 29V output voltage for 4 channels of 8 series WLEDs. Each channel supports up to 30mA of current capability with 2048 current steps in exponential or linear mapping curves. The backlight brightness is controlled by the I2C interface and an external PWM control. The PWM frequency range is from 50Hz to 50kHz. The RT5081 can also support torch/strobe backlight modes with regulated constant current for front camera screen flash applications.

The display bias driver (DB) is implemented with a single-inductor boost and an inverting charge pump to achieve a smaller PCB area, compared with a dual-inductor boost converter. The display bias driver is used to provide a negative voltage output (VDB_NEG) through the DB_NEGVOUT pin and a positive voltage output (VDB_POS) through the DB_POSVOUT pin. The negative voltage output comes from the boost converter output voltage (VDB_BST) at the DB_BSTVOUT pin, and the positive voltage output is from the DB_POSVOUT voltage passing through an LDO to reduce power noise. The VDB_POS and VDB_NEG voltage ranges can be programmed from 4V to 6V and from -4V to -6V with a resolution of 50mV, respectively. These two output rails, usually connected to a Source Driver IC, can support up to 50mA output current capability to drive up to 10" TFT-LCD panels.

The LDO can be used to supply power to an Eccentric Rotating Mass (ERM) Motor in mobile phones and other hand-held devices. The output voltage is programmable in the range of 1.6V to 4V via the I2C interface.

The RGB LED driver is a 4-Channel smart LED string controller to drive 3 channels of LEDs with a sink current of up to 24mA and a CHG_VIN power good indicator with a sink current of up to 6mA. All channels can be set independently via the I2C interface, and are provided with three operation modes: Register Mode, PWM Mode and Breath Mode.

The RT5081 is available in a WL-CSP-93B 4.22x4.32 (BSC) package.

Applications

  • Cellular Telephones
  • Personal Information Appliances
  • Tablet PCs
  • Portable Instruments