RT5086D

Power Management Unit Total Power Solution for SSD

RT5086D

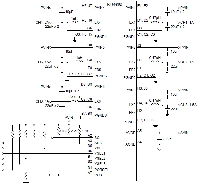
The RT5086D is a total power management solution for SSD (Solid State Drive) and applicable the dedicated powered by 3.3V or 5V input. The RT5086D provides six step-down converters, is designed to be flexible PMIC for supporting different output load applications with regulated power sequence.

The RT5086D provides configurable outputs for core power of SSD controller, NAND Flash memory, I/O power and DRAM power. It supports dynamic voltage scaling by a dedicated I2C interface and also apply low power mode to minimize the standby power consumption.

Applications

  • Solid State Devices

Key Spec.

RT5086D
Status Last Time Buy
Vin (min) (V) 2.9
Vin (max) (V) 5.5
Number of Channels 6
Number of Buck Converters 6
Number of Boost Converters 0
Number of Negative Outputs 0
Number of LED Drivers 0
Number of LDO Regulators 0
Application SSD
Features 100% Duty Cycle;Adjustable Current Limit;Adjustable Frequency;Built-in Bootstrap Switch;COT Control;Current Mode Control;Cycle-by-Cycle Current Limit;Diode Emulation Mode;Fast Transient Response;I2C;Internal Compensation;OCP;OVP;Power Good;SCP;Stable with Ceramic Capacitor;UVP
Package Type WL-CSP3.19x3.59-56(BSC)

Features

  • Supply Input Voltage Range : 2.9V to 5.5V

  • Six High Efficiency, Low Voltage Buck Converters
    ► Up to 85% Efficiency at 10mA, and at Half Rated Output Current
    ► CH1 : 2.3V to 3.45V in 50mV Step, Output 4A Max.
    ► CH2 : 0.9V to 1.575V in 25mV Step & 1.8V, Output 1A Max.
    ► CH3 : 0.9V to 2.1V in 50mV Step, Output 1.5A Max.
    ► CH4 : 1.1V to 1.65V & 3V to 3.6V in 50mV Step, Output 2A Max.
    ► CH5 : 1.4V to 3.6V in 100mV Step, Output 1A Max.
    ► CH6 : 0.7V to 1.3V in 25mV step, Output 4A Max.
    ► CH2/3 2MHz CH5 1MHz CH6 2.5MHz Default Switching Frequency
    ► 1.1V to 1.65V with 2MHz & 3V to 3.6V with 1MHz Default Switching Frequency (CH4)
    ► 2MHz Default Switching Frequency and Programmable 0.8 to 2.3MHz (CH1)

  • VSEL0 & VSEL1 & VSEL2 & VSEL3 for Programmable Default Output Voltage

  • Low Power Mode (LPM) for Ultra Low Quiescent Current

  • High-Speed I2C Interfaces for Programming Outputs

  • POR Threshold Selection and Open-Drain POR Indicator

  • Power Sequence Control During Startup

  • OVP, UVP, UVLO

  • Thermal Shutdown Protection

  • CH1/4/5 Bypass Mode & Buck Mode