RT5090E

TV System Power Management Solution

RT5090E
New

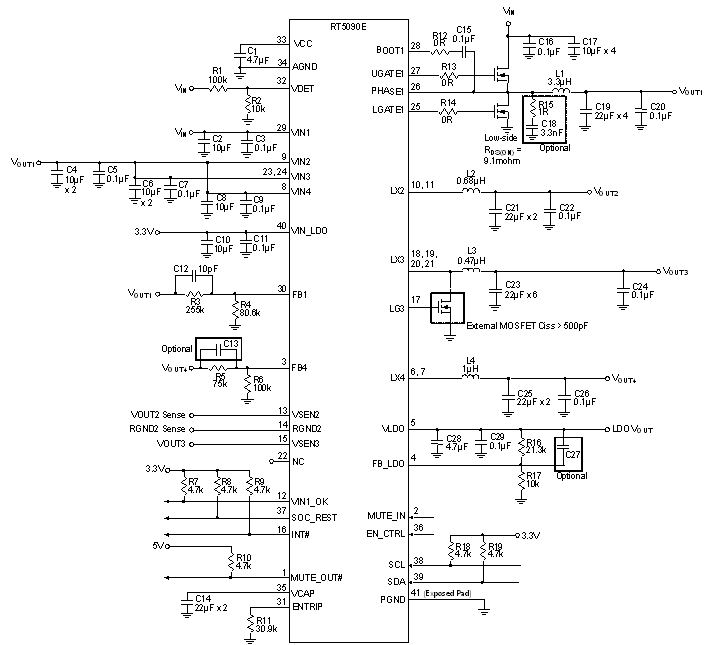
The RT5090E integrates 1 channel buck controller, 3 channels high efficiency synchronous buck converters, 1 LDO, I2C Control interface and peripheral logical control. The RT5090E support mute, AC OFF depop sound and quick setting storage while input power remove. The RT5090E is for 12V to 24V single input system or 12V to 24V + 3.3V standby system. The RT5090E is available in a WQFN-40L 5x5 package.

Applications

  • TV System

Key Spec.

RT5090E
Status Active
Vin (min) (V) 8
Vin (max) (V) 27
Number of Channels 5
Number of Buck Converters 4
Number of Boost Converters 0
Number of Negative Outputs 0
Number of LED Drivers 0
Number of LDO Regulators 1
Application TV
Features Cycle-by-Cycle Current Limit;I2C;Internal Compensation;OVP;UVP
Package Type WQFN5x5-40

Features

  • BUCK1
    ► 5V Power Controller
    ► External MOSFET
    ► High Efficiency at Light Load (PSK)

  • BUCK2
    ► 3A Converter with PSK Mode
    ► DVS with 10mV/Step
    ► Programmable Output Voltage by I2C, from 0.7V to 1.5V

  • BUCK3
    ► 6A Converter with PSK Mode
    ► Support up to 6A with External Low Side MOSFET
    ► DVS with 10mV/Step
    ► Programmable Output Voltage by I2C, from 0.7V to 1.5V

  • BUCK4
    ► 3A Converter with PSK Mode
    ► Programmable Output Voltage

  • LDO
    ► Sourcing up to 0.6A
    ► Programmable Output Voltage

  • UV Protection : Latch or Hiccup Mode

  • OV Protection : Only Latch Mode

  • Power Up SOC Reset