This website stores cookies on your computer. These cookies are used to collect information about how you interact with our website and allow us to remember you. We use this information in order to improve and customize your browsing experience and for analytics and metrics about our visitors both on this website and other media. To find out more about the cookies we use, see our Cookie Statement. If you decline, your information won’t be tracked when you visit this website. A single cookie will be used in your browser to remember your preference not to be tracked. Find out more here.
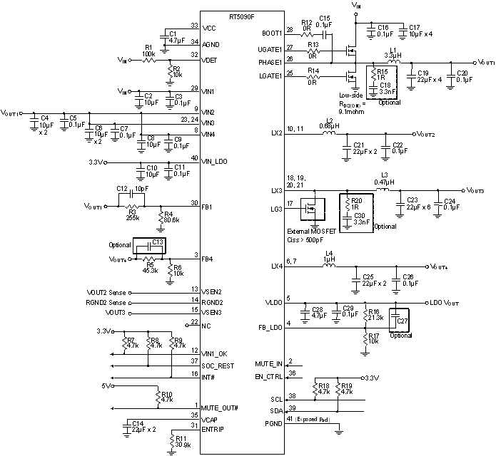
The RT5090F integrates 1 channel buck controller, 3 channels high efficiency synchronous buck converters, 1 LDO, I2C Control interface and peripheral logical control. The RT5090F support mute, AC OFF depop sound and quick setting storage while input power remove. The RT5090F is for 12V to 24V single input system or 12V to 24V + 3.3V standby system. The RT5090F is available in a WQFN-40L 5x5 package.
BUCK1► 5V Power Controller► External MOSFET► High Efficiency at Light Load (PSK)
BUCK2► 3.5A Converter with PSK Mode► DVS with 10mV/Step► Programmable Output Voltage by I2C, from 0.7V to 1.5V
BUCK3► 6A Converter with PSK Mode► Support up to 6A with External Low Side MOSFET► DVS with 10mV/Step► Programmable Output Voltage by I2C, from 0.7V to 1.5V
BUCK4► 3A Converter with PSK Mode► Programmable Output Voltage
LDO► Sourcing up to 0.6A ► Programmable Output Voltage
UV Protection : Latch or Hiccup Mode
OV Protection : Only Latch Mode
Power Up SOC Reset
Subscribe to receive the latest product news. (Login required)
.
Please check your email box and click validation url.