RT5112H

Smart Power-Management Integrated Circuit for CameraModule Application

RT5112H
New

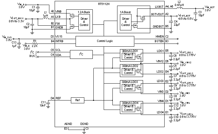
The RT5112H device is a smart power management IC which includes a low-quiescent-current HCOT Buck converter, a ACOT Boost converter and four high PSRR low dropout regulators (LDO). One can control the channel power sequence, output voltage level and DVS slew rate by setting registers via I2C interface. The output voltage OVP/UVP, OCP and OTP protection are built in the RT5112H. The RT5112H is available in a WL-CSP-25B 2.2x2.3 (BSC) package.

Applications

  • Camera Module
  • Optical Module
  • SSD

Key Spec.

RT5112H
Status Active
Vin (min) (V) 2.5
Vin (max) (V) 5.5
Number of Channels 6
Number of Buck Converters 1
Number of Boost Converters 1
Number of Negative Outputs 0
Number of LED Drivers 0
Number of LDO Regulators 4
Application SSD
Features ACOT Control;Adjustable Current Limit;Cycle-by-Cycle Current Limit;Enable Input;High PSRR;Internal Compensation;Low Dropout;OCP;OVP;SCP;UVP;Ultrasonic Mode Control
Package Type WL-CSP2.2x2.3-25(BSC)

Features

  • System Control

  • Hardware Enable Pin

  • I2C Controlled Interface

  • Programmable Channel Power Sequence

  • IRQ Output for Indication

  • Over-Voltage Protection

  • Under-Voltage Protection

  • Over-Current Protection

  • Over-Temperature Protection

  • Available in a WL-CSP-25B 2.2x2.3 (BSC) Package

    High Efficiency Buck Converter

  • Wide 2.5V to 5.5V Operating Input Range

  • Programmable Output Voltage from 0.6V to 3.3V with 12.5mV/Step

  • Maximum Continuous Load Current : 1.2A

  • HCOT Control Operation

  • Low Quiescent Current

    Flexible Boost Converter

  • Wide 2.5V to 4.4V Operating Input Range

  • Programmable Output Voltage from 4.5 V to 5.5V with 25mV/Step

  • Maximum Continuous Load Current : 1A

  • ACOT Control Operation

  • Low Quiescent Current

    Four Low Dropout Regulators

  • Wide 1.9V to 5.5V Operating Input Range

  • Programmable Output Voltage from 0.6V to 3.775V with 25mV/Step

  • High PSRR : 70dB @ 1kHz, 40dB @ 100kHz with LDO1 / LDO2

  • High PSRR : 50dB @ 1kHz, 40dB @ 10kHz with LDO3 / LDO4

  • 300mA Low Dropout Voltage Regulators

  • Low Quiescent Current

RT5112HWSC
Package Type:WL-CSP2.2x2.3-25(BSC)