RT5133

Integrated PMIC with 8-Channel LDOs and 3 GPOs for Camera Module Applications

RT5133
New

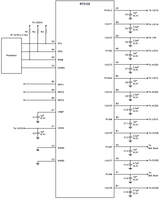
The RT5133 is a highly-integrated power management IC, which includes 8 LDOs for camera sensor applications, including 2-Ch DVDD, 4-Ch AVDD, 1-Ch VIO, 1-Ch VAF and 3 GPOs for portable devices.

The output voltages, soft-start time and protections of regulators can be controlled by writing the registers through I2C.

The LDO1 can be used to supply power to IO (VIO). The LDO2 can be used to supply power to auto focus unit (VAF). The LDO3 to LDO6 can be used to supply power to AVDD. The LDO7 and LDO8 can be used to supply power to DVDD.

3 GPO output pins can control external device or be reused for another purpose.

The RT5133 is available in a WL-CSP-25B 1.84x1.84 (BSC) package.

Applications

  • Cellular Telephones
  • Personal Information Appliances
  • Tablet PCs
  • Portable Instruments

Key Spec.

RT5133
Status Active
Vin (min) (V) 2.8
Vin (max) (V) 5
Number of Channels 8
Number of LDO Regulators 8
Application Portable Device
Features Enable Input;High PSRR;I2C;Internal Compensation;Low Dropout;OCP;Power Good;UVP
Package Type WL-CSP1.84x1.84-25(BSC)

Features

  • Top
    ► Hardware Enable Pin
    ► I2C Controlled Interface
    ► Programmable Channel Power On/Off
    ► IRQB Output for Indication
    ► Input Under-Voltage Protection
    ► Over-Temperature Protection

  • LDO
    ► LDO1/2
         ♦ 2 Low Dropout Regulators for VIO18 and auto Focus Application
         ♦ Wide 2.8V to 5V Operating Input Range
         ♦ Programmable Output Voltage by I2C
         ♦ High PSRR : 70dB @ 1KHz
         ♦ 300mA Low Dropout Voltage Regulators
    ► LDO3/4/5/6
         ♦ 4 Low Dropout Regulators for AVDD application
         ♦ Wide 2.8V to 5V Operating Input Range
         ♦ Programmable Output Voltage by I2C
         ♦ High PSRR : 85dB @ 1KHz
         ♦ 300mA Low Dropout Voltage Regulators
    ► LDO7/8
        ♦ 2 Low Dropout Regulators for DVDD application
        ♦ Wide 1.1V to 5V Operating Input Range
        ♦ Programmable Output Voltage by I2C
        ♦ High PSRR : 75dB @ 1KHz
        ♦ 600mA/1000mA Low Dropout Voltage Regulators

  • GPO
    ► 3 GPO Pins to Control a Single Regulator

Datasheet