This website stores cookies on your computer. These cookies are used to collect information about how you interact with our website and allow us to remember you. We use this information in order to improve and customize your browsing experience and for analytics and metrics about our visitors both on this website and other media. To find out more about the cookies we use, see our Cookie Statement. If you decline, your information won’t be tracked when you visit this website. A single cookie will be used in your browser to remember your preference not to be tracked. Find out more here.
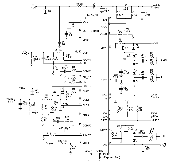
The RT6908 provides a complete set of programmable multi-functional power solution for TFT LCD panel. The RT6908 contains a step-up converter for main power and step-down controllers to provide the logic voltages for the system. Moreover, a positive charge pump regulator provides the adjustable gate-high voltage, VGH; a negative charge pump regulator provides the gate-low voltage, VGL. AVDD, VGH and VGL outputs and power sequence can be programmable through I2C interface. With its high current capabilities, the device is ideal for large screen monitor panels and LCD TV applications with 12V supply voltage. The RT6908 is available in a WQFN-40L 5x5 package.
9V to 16V Input Supply Voltage
4.4A Boost Regulator for AVDD with 12.7V to 19V Programmable Output
1-CH Sync. Buck Converter for VI/O
1-CH Sync. Buck Controller for VCORE
Negative Charge Pump Regulator for VGL with -8.1V to -1.8V Programmable Output
Positive Charge Pump Regulator for VGH with 24.5V to 40V Programmable Output
Programmable Sequencing
Voltage Detection Output
Over Temperature Protection
I2C Compatible Interface for Register Control
Thin 40-Lead WQFN Package
RoHS Compliant and Halogen Free
Subscribe to receive the latest product news. (Login required)
.
Please check your email box and click validation url.