This website stores cookies on your computer. These cookies are used to collect information about how you interact with our website and allow us to remember you. We use this information in order to improve and customize your browsing experience and for analytics and metrics about our visitors both on this website and other media. To find out more about the cookies we use, see our Cookie Statement. If you decline, your information won’t be tracked when you visit this website. A single cookie will be used in your browser to remember your preference not to be tracked. Find out more here.
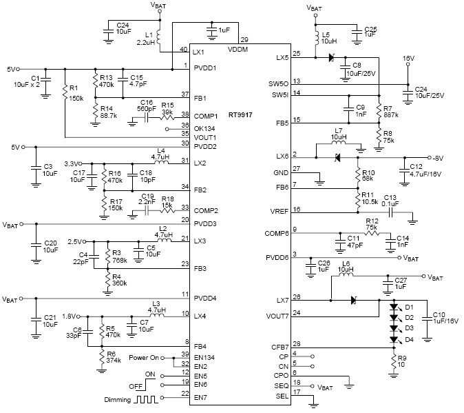
The RT9917 is a complete power-supply solution for digital still cameras and other hand-held devices.It integrates :CH1 : Boost DC-DC converter with load disconnect controller (SW1).CH2 : Selectable Boost/Buck DC-DC converterCH3 : Step-down DC-DC converter with internal compensation.CH4 : Step-down DC-DC converter with internal compensation.CH5 : DC/DC converter with HV NMOS, internal compensation and load disconnect (SW5) for CCD positive supply.CH6 : DC/DC converter with HV PMOS for CCD negative supply.CH7 : WLED driver with HV NMOS, internal compensation and allow for PWM dimming.SW1 : Load disconnect controller for CH1.SW5 : Load disconnect switch for CH5.
Subscribe to receive the latest product news. (Login required)
.
Please check your email box and click validation url.