loading

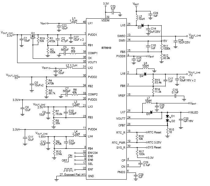
The RT9919 is a complete power supply solution for digital still cameras and other hand held devices. The RT9919 is a multi-channel DC/DC converter including two step-up DC/DC converters, two step-down DC/DC converters, one selectable step-up/step-down DC/DC converter, one inverting DC/DC converter and one WLED driver.
The RT9919 is designed to fulfill the applications for DSC just as follows :
CH1 is a synchronous step-up output for motor or DSC system I/O power
CH2 is a selectable synchronous step-up/step-down output for motor or DSC system I/O power
CH3 and CH4 are synchronous step-down outputs for DSP core and memory power supply
CH5 is a high voltage step-up output for CCD bias power supply
CH6 is an inverting output for negative CCD bias power supply
CH7 is a high voltage step-up output for driving WLED
For the selectable step-up/step-down converter, the Boost/Buck can be selected by the SEL pin. Among all channels, there are 5 channels with the built-in internal compensation. The RT9919 also provides a transformerless inverting converter for supplying the CCD power. For the synchronous step-up and step down converters, the efficiency can be up to 95%. The IC provides load disconnection for channel 1 and channel 5. The IC has selectable RTC_LDO/SW1 that can be determined by the CN pin.
The RT9919 is able to support Li+ and 2AA battery applications. The RT9919 provides WLED open protection, current limit, thermal shutdown protection, over voltage and under voltage protection to achieve complete protection. The RT9919 is available in WQFN-40L 5x5 package.

Applications

  • Digital Still Camera
  • PDA
  • Portable Device
TOP