loading

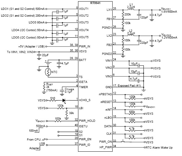
The RT9941 is a complete power management IC (PMIC) for handheld device platform. This PMIC contains a fully integrated linear charger for a single cell Lithium Ion battery, five LDO linear regulators and two high efficiency buck converters, a comparator, a reset and an I2C serial interface to program one buck and one regulator output voltages as well as power on timing control for complete flexibility.
The linear charger integrates LDO, MOSFET pass element and thermal-regulation circuitry. The proprietary thermal- regulation circuitry limits the die temperature when fast charging or while exposed to high ambient temperatures, allowing maximum charging current without damaging the IC.
The two step-down converters are optimized for small size inductor and high efficiency applications. They utilize a proprietary hysteretic PWM control scheme that switches with nearly fixed frequency and is adjustable, allowing the customer to trade some efficiency for smaller external component as desired.
The LDO linear regulators provide high power supply rejection rate and have only 45μVRMS of output noises for 100Hz to 10kHz frequency range to power noise sensitive RF sections.
The RT9941 is available in WQFN-40L 5x5 package.

Applications

  • GPS and PDA
  • Handheld Devices
Key Spec.
RT9941
Status EOL
Vin (min) (V) 3.3
Vin (max) (V) 5.5
Number of Channels 7
Number of Buck Converters 2
Number of Boost Converters 0
Number of Negative Outputs 0
Number of LED Drivers 0
Number of LDO Regulators 5
Features Enable Input;OCP
Package Type WQFN5x5-40
Outline Dimension, Footprint, Drawing Download
Features
  • Charger
      ♦ Adapter & Battery Two Input with Auto Power Dynamic Path.
      ♦ PWR_IN LDO support continuous 1.5A, peak 2A current
      ♦ 4.5V to 5.5V Operation Voltage Range with Max. Input 18V from PWR_IN Pin
      ♦ Switch Well for LDO and Charger Power MOSFET
      ♦ Set Charge Current by ISETA Pin
      ♦ Charge Status Indicator
      ♦ Interrupt for PWR_IN Plug In/Out Time Out and Charger Done.
      ♦ Battery Temperature Monitoring
  • Hysteretic Buck
      ♦ Buck 1 for DDR Memory, Adjustable Voltage and 600mA Output Current
      ♦ Buck 2 for PDN with 25mV/step I2C Adjustable 800mA Output Current
      ♦ Max. Efficiency Up to 90%
  • LDO
      ♦ LDO1 : 3.3V/500mA for I/O, Default ON
      ♦ LDO2 : 1.2V/80mA for PLL, Default ON
      ♦ LDO3 : 1.2V/80mA for Pre-Core. I2C Adiustable, Sync. with Buck2, Default ON
      ♦ LDO4 : 2.5V/50mA for AVDD of USB, ADC, TSC, Default ON
      ♦ LDO5 : 3.3V/50mA for AVDD of USB, Default ON
      ♦ Minimize the External Component Counts
  • Other
      ♦ System Reset
      ♦ Low Voltage Detector
      ♦ I2C Compatible Interface
      ♦ Power ON Timing Control
  • RoHS Compliant and Halogen Free
TOP