This website stores cookies on your computer. These cookies are used to collect information about how you interact with our website and allow us to remember you. We use this information in order to improve and customize your browsing experience and for analytics and metrics about our visitors both on this website and other media. To find out more about the cookies we use, see our Cookie Statement. If you decline, your information won’t be tracked when you visit this website. A single cookie will be used in your browser to remember your preference not to be tracked. Find out more here.
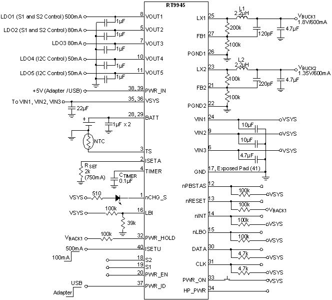
The RT9945 is a complete power management IC (PMIC) for handheld device platform. This PMIC contains a fully integrated linear charger for a single cell Lithium Ion battery, five LDO linear regulators and two high efficiency buck converters, a comparator, a reset and an I2C serial interface to program one buck and one regulator output voltages as well as power on timing control for complete flexibility.The linear charger integrates LDO, MOSFET pass element, and thermal-regulation circuitry. The proprietary thermal-regulation circuitry limits the die temperature when fast charging or while exposed to high ambient temperatures, allowing maximum charging current without damaging the IC.The two step-down converters are optimized for small size inductor and high efficiency applications. They utilize a proprietary hysteretic PWM control scheme that switches with nearly fixed frequency and is adjustable, allowing the customer to trade some efficiency for smaller external component, as desired. The output current is guaranteed up to 600mA, while quiescent current is a low 40μA (typ).The LDO linear regulators provide high power supply rejection rate and have only 45μVRMS of output noises for 100Hz to 10kHz frequency range to power noise sensitive RF sections.The RT9945 is available in WQFN-40L 5x5 package.
Charger ♦ Adapter/USB & Battery Two Input with Auto Power Dynamic Path. ♦ PWR_IN LDO Support Continuous 1.5A, Peak 2A Current ♦ 4.5V to 5.5V Operation Voltage Range with Max. 18V Input Voltage ♦ Switch Well for LDO and Charger Power MOSFET ♦ Set Charge Current by ISETA Pin ♦ Charge Status Indicator ♦ Interrupt for PWR_IN Plug In/Out, Time Out and Charger Done. ♦ Battery Temperature Monitoring
Hysteretic Buck ♦ Buck 1 for Memory, Adjustable Voltage and 600mA Output Current ♦ Buck 2 for Core voltage with 25mV/step I2C Adjustable, 600mA Output Current ♦ Max. Efficiency Up to 90%
LDO ♦ LDO1 : 3.3V/500mA for I/O, Default ON ♦ LDO2 : 1.2V/80mA for PLL, Default ON ♦ LDO3 : 1.2V/80mA for VDD Alive. ♦ LDO4 : 2.5V/50mA, Default OFF ♦ LDO5 : 3.3V/50mA, Default OFF ♦ Minimize the External Component Counts
Other ♦ Low Voltage Detector ♦ I2C Compatible Interface ♦ Power ON Timing Control
RoHS Compliant and Halogen Free
Subscribe to receive the latest product news. (Login required)
.
Please check your email box and click validation url.