loading

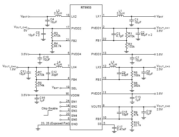
The RT9953 is a complete power supply solution for digital still cameras and other handheld devices. The RT9953 is a multi-channel power management IC including one synchronous step-up DC/DC converter, one selectable synchronous step-up/step-down DC/DC converter, two synchronous step-down DC/DC converters, and one low dropout linear regulator.
The RT9953 is designed to fulfill the applications for DSC as follows :
CH1 is a synchronous step-up output for motor or DSC system I/O power
CH2 is a selectable synchronous step-up/step-down output for motor or DSC system I/O power
CH3 and CH4 are synchronous step-down outputs for DSP core and memory power supply
CH5 is a 500mA, low dropout, low noise linear regulator with soft-start function.
The RT9953 is designed to support Li+ and 2AA battery applications. The selectable step-up/step-down converter can be set by SEL pin. For the synchronous step-up and step down converters, the efficiency can be up to 95%.
The RT9953 provides over current protection, thermal shutdown protection, over voltage and under voltage protection to achieve complete protection. The RT9953 is available in the WQFN-24L 4x4 package.

Applications

  • CMOS Digital Still Camera
  • CMOS DV
  • Portable Devices
Key Spec.
RT9953
Status NRND
Vin (min) (V) 2.7
Vin (max) (V) 5.5
Number of Channels 5
Number of Buck Converters 2
Number of Boost Converters 2
Number of Negative Outputs 0
Number of LED Drivers 0
Number of LDO Regulators 1
Application Portable Device
Features 100% Duty Cycle;Enable Input;High PSRR;Internal Compensation;OCP;OVP;UVP
Package Type WQFN4x4-24
Outline Dimension, Footprint, Drawing Download
Features
  • One Synchronous Step-Up/Step-Down Selectable Converter
  • Support 2AA or Li-ion Battery Applications
  • Internal Soft-Start Control
  • 4 Channels with Internal Compensation
  • Power Switches Integrated
  • Up to 95% Efficiency
  • 100% (max) Duty Cycle for Step-Down Converter
  • Adjustable Output Voltage
  • Fixed 1MHz Switching Frequency
  • LDO Works with Low-ESR Ceramic Capacitors
  • Fast Line/Load Transient Response
  • High PSRR Linear Regulator
  • RoHS Compliant and Halogen Free
Datasheet
TitleVersionLast UpdateDownload
RT9953: 4+1 Channel Power Management ICV2.02011/12/21
Part NumberPackage TypePackage Qty.DistributorStockBuy From Authorized Distributor
RT9953GQWWQFN4x4-241,500 Digikey 1,499 Buy
1,500 Buy
TOP