This website stores cookies on your computer. These cookies are used to collect information about how you interact with our website and allow us to remember you. We use this information in order to improve and customize your browsing experience and for analytics and metrics about our visitors both on this website and other media. To find out more about the cookies we use, see our Cookie Statement. If you decline, your information won’t be tracked when you visit this website. A single cookie will be used in your browser to remember your preference not to be tracked. Find out more here.
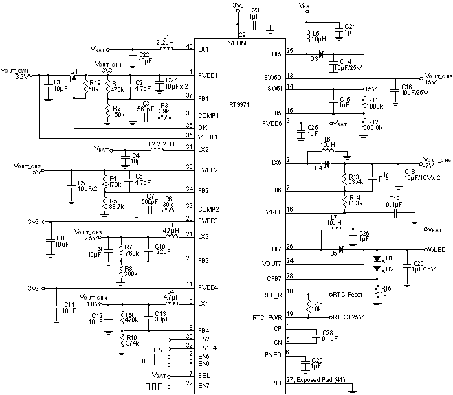
The RT9971 is a complete power supply solution for digital still cameras and other hand held devices. The RT9971 is a multi-channel power management IC including two step-up DC/DC converters, two step-down DC/DC converters, one selectable step-up/step-down DC/DC converter, one inverting DC/DC converter and one WLED driver. The RT9971 is designed to fulfill the applications for DSC just as follows : CH1 is a synchronous step-up output for motor or DSC system I/O power CH2 is a selectable synchronous step-up/step-down output for motor or DSC system I/O power CH3 and CH4 are synchronous step-down outputs for DSP core and memory power supply CH5 is a high voltage step-up output for CCD bias power supply CH6 is an inverting output for negative CCD bias power supply CH7 is a high voltage step-up output for driving WLED For the CH2, the step-up or step-down converter, operation mode can be selected by the SEL pin. Among all CHs, there are 5 CHs with the built-in internal compensation. The RT9971 also provides a transformerless inverting converter for supplying the CCD power. For the synchronous step-up and step down converters, the efficiency can be up to 95%. The IC provides load disconnection for CH 1 and CH 5. The IC has selectable RTC_LDO/SW1 that can be determined by the CN pin. The RT9971 is able to support Li-ion and 2AA battery applications. The RT9971 provides WLED open protection, current limit, thermal shutdown protection, over voltage and under voltage protection to achieve complete protection. The RT9971 is available in WQFN-40L 5x5 package.
One Synchronous Step-Up or Step-Down Selectable Convertor
Support 2AA or Li-ion Battery Applications
Preset On/Off Sequence
5 CHs with Internal Compensation
All Power Switches Integrated
Up to 95% Efficiency
100% (max) Duty Cycle for Step-Down Converter
Adjustable Output Voltage
LED PWM Dimming Control
LED Open Protection
Transformerless Inverting Converter for CCD
Fixed 1MHz Switching Frequency at CH1 to CH7
RTC_LDO/SW1 Selectable by CN Pin
40-Lead WQFN Package
RoHS Compliant and Halogen Free
Subscribe to receive the latest product news. (Login required)
.
Please check your email box and click validation url.