This website stores cookies on your computer. These cookies are used to collect information about how you interact with our website and allow us to remember you. We use this information in order to improve and customize your browsing experience and for analytics and metrics about our visitors both on this website and other media. To find out more about the cookies we use, see our Cookie Statement. If you decline, your information won’t be tracked when you visit this website. A single cookie will be used in your browser to remember your preference not to be tracked. Find out more here.
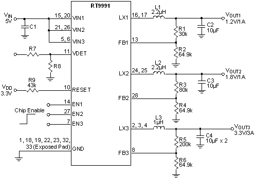
RT9991 是供固態硬碟( SSD, Solid-State Drive )使用的3通道 PMIC,其中包含了3路同步 Buck 架構的 DC/DC 轉換器和一個電壓檢測器。它提供了3個獨立的使能引腳用於時序控制,還具有輸出關斷時的自動放電功能以滿足 NAND Flash 記憶體的電源需要。它的3個 Buck 通道分別採用了高達 1.5MHz ( Buck1/2 )和 2MHz ( Buck3 )的工作頻率,這容許在設計中使用小尺寸的電感以滿足可擕式應用在空間和高度上的限制。為了最大限度地提升電源的表現,RT9991 在設計上採用了極低靜態電流的方案,每個 Buck 轉換器工作在待機模式下的消耗僅有 70μA 。RT9991 的封裝是 VQFN-32L 5x5 。
輸入電壓範圍:2.8V to 5.5V
Buck 1 / Buck 2
輸出電壓可調,為 VCORE or DRAM Cache 供電
輸出電流高達 1A
工作頻率: 1.5MHz
Buck 3
輸出電壓可調,為 NAND Flash 供電
輸出電流高達 3A
工作頻率: 2MHz
具有自動放電功能
電壓檢測器
閾值電壓可設定
開漏重定輸出信號
符合 RoHS 規範,不含鹵素
訂閱接收最新產品訊息 (請先登入)
.
Please check your email box and click validation url.