This website stores cookies on your computer. These cookies are used to collect information about how you interact with our website and allow us to remember you. We use this information in order to improve and customize your browsing experience and for analytics and metrics about our visitors both on this website and other media. To find out more about the cookies we use, see our Cookie Statement. If you decline, your information won’t be tracked when you visit this website. A single cookie will be used in your browser to remember your preference not to be tracked. Find out more here.
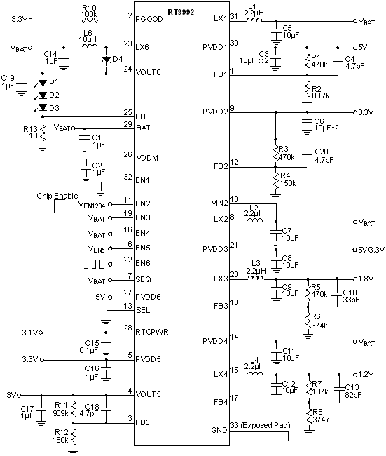
This is a 5+2 CH integrated PMIC for DV application. There are 5 DC/DC converters : one synchronous step-up, one selectable synchronous step-up/step-down, two synchronous step-downs, and one WLED driver in either asynchronous step-up or current source mode, selectable by VOUT6 initial voltage. In addition, there are 2 LDO regulators : one RTC LDO and one generic LDO. The generic LDO can choose internal feedback loop for fixed output 2.5V or external feedback loop for customized output voltage. Both low voltage synchronous step-up converters are with load disconnect function. All power MOSFETs and compensation networks are integrated. There is a power good indicator to monitor FB2, FB3, and FB4 voltage status. CH1 to CH5 enabling can be controlled flexibly : enabled independently or in preset sequences.
All Power MOSFETs Integrated
5 Channels with Internal Compensation
Flexible Enabling Control► Enabled Independently or in Preset Power On/Off Sequences
CH2 Synchronous Converter in Step-Up or Step-Down Mode Selectable by SEL Pin
Synchronous Step-Down DC/DC Converter► Up to 95% Efficiency► 100% (max) Duty Cycle
Synchronous Step-Up DC/DC Converter► Adjustable Output Voltage► Up to 95% Efficiency
Asynchronous Step-Up Converter to Drive WLED, Selectable Between Step-Up or Current Source ► LED Open Protection (OVP6) in Step-Up Mode► PWM Dimming Control
Load Disconnect Function for CH1 and CH2 Synchronous Step-Up Converter
Fixed 2MHz Switching Frequency for CH1, CH2, CH3, and CH4
Fixed 1MHz Switching Frequency for CH6
Generic LDO (CH5)► Output Voltage : Fixed 2.5V or Set by External Feedback Network, Determined by FB5 Initial Voltage
RTC LDO : Fixed Output Voltage 3.1V
Power Good Indicator to Monitor Output Voltage Status of CH2, CH3, and CH4
32-Lead Package
RoHS Compliant and Halogen Free
Subscribe to receive the latest product news. (Login required)
.
Please check your email box and click validation url.