RTQ2071-QA

Automotive CIS/CCM PMIC for Ultra Compact Camera and High Image Quality System

RTQ2071-QA

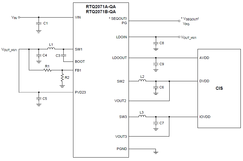
The RTQ2071 is an integrated PMIC with three step down converters and one high PSRR low-dropout (LDO) regulator for automotive camera applications. The high-voltage step down converter is operated with input voltage range up to 18.5V for Power Over Coax (POC) connection. Two low-voltage step down converters provide constant output voltage. All step down converters operate in a forced fixed-frequency PWM mode. The LDO output voltage is easily set via an external resistor. The RTQ2071 provides 10 power sequences by a resistor for flexibility. The RTQ2071 is available in a WETD-VQFN-16L 3x3 package with dimple lead type wettable flanks.

 

Applications

  • Automotive Camera Modules
    ►Surround View Camera
    ►Front View Camera
    ►Rear View Camera
    ►Dash Cam DVR
    ► Driver Monitoring System
    ►Cabin Monitor
    ►eMirror

Key Spec.

RTQ2071A-QA RTQ2071B-QA
Status Active Active
Vin (min) (V) 4 4
Vin (max) (V) 18.5 18.5
Number of Channels 4 4
Number of Buck Converters 3 3
Number of Boost Converters 0 0
Number of Negative Outputs 0 0
Number of LED Drivers 0 0
Number of LDO Regulators 1 1
Application Automotive Automotive
Features AEC-Q100;Current Mode Control;Cycle-by-Cycle Current Limit;High PSRR;Internal Compensation;OCP;OVP;Power Good;UVP AEC-Q100;Current Mode Control;Cycle-by-Cycle Current Limit;High PSRR;Internal Compensation;OCP;OVP;Power Good;UVP
Package Type WETD-VQFN3x3-16 WETD-VQFN3x3-16

Features

  • AEC-Q100 Grade 1

  • FMEA Compliant Pin Placement and Protection Mechanisms

  • Three Step-Down Converters (HVBuck1, LVBuck2 and LVBuck3)
    ► Peak Current Mode PWM Operation
    ► Fixed Switching Frequency at 2.1MHz
    ► EMI Reduction with Spread Spectrum and Phase Shift
    ► HVBuck1 Input Voltage from 4V to 18.5V, Adjustable Output Voltage and Up to 2A Output Current
    ► LVBuck2 Input Voltage from 2.7V to 5V, Fixed Output Voltage and 1.5A Output Current
    ► LVBuck3 Input Voltage from 2.7V to 5V, Fixed Output Voltage and 750mA Output Current
    ► Pins Related to LVBuck2/LVBuck3 Allowable Floating if Channel Unused

  • Low Dropout Regulator (LDO)
    ► Input Voltage from 2.7V to 5V and 300mA Output Current
    ► 10 Adjustable Output Voltage Settings via RSET Pin
    ► High PSRR : 60dB at 100kHz, 40dB at 1MHz

  • Output Function
    ► Sequence Control for External Power IC via SEQOUT (RTQ2071A-QA)
    ► Power Status Indication via PG (RTQ2071B-QA)

  • 10 Flexible Power Sequence Settings via SEQ Pin

  • Small Form Factor WETD-VQFN-16L 3x3 Wettable Flanks Package