RTQ2077S-QT

用于工业/汽车应用的DC-DC转换器 + LDO PMIC

RTQ2077S-QT
New

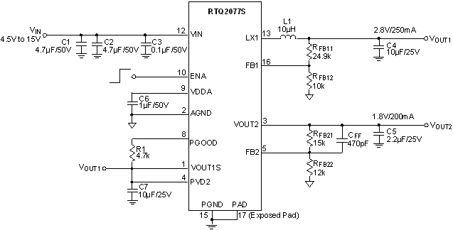
RTQ2077S是针对工业、汽车应用的低功率、高性能电源管理IC (PMIC),内含1个400mA负载能力的高压同步Buck转换器和1个200mA负载能力的线性稳压器,所有开关元件和补偿元件都已集成在单一封装里。RTQ2077S是通过了AEC-Q100 Grade 1认证的汽车级产品,具有完备的故障保护功能,能进行过流保护、欠压锁定保护、过压保护和过热保护,它的封装是WQFN-16L 3x3。

应用

  • 车用电子系统
  • 车用摄像模组和驾驶舱电子系统
  • 车用互联设备
  • 分布式电源系统的负载点转换器
  • 数字式机顶盒
  • 宽带通讯设备

主要规格

RTQ2077S-QT
Status Active
Vin (min) (V) 4.5
Vin (max) (V) 15
Number of Channels 2
Number of Buck Converters 1
Number of Boost Converters 0
Number of Negative Outputs 0
Number of LED Drivers 0
Number of LDO Regulators 1
Application Automotive
Features AEC-Q100;Current Mode Control;Cycle-by-Cycle Current Limit;Diode Emulation Mode;Enable Input;High PSRR;Internal Compensation;OCP;OVP;Power Good;SCP;Stable with Ceramic Capacitor;UVP
Package Type WQFN3x3-16

关键特性

  • AEC-Q100 Grade 1认证

  • -40°C至125°C工作环境温度范围

  • 线性稳压器输入电压范围:2.7V至5.5V

  • 高压Buck输入电压范围:4.5V至15V

  • 工作频率:2MHz

  • 高压Buck输出电压范围:2.7V至5V

  • 线性稳压器输出电压范围:1V至3.6V

  • 峰值电流控制模式

  • 集成330mΩ / 150mΩ功率开关

  • 使能控制

  • Power Good指示

  • 逐周期过流限制保护

  • 输入欠压锁定保护

  • 输出欠压保护

  • 过热保护