This website stores cookies on your computer. These cookies are used to collect information about how you interact with our website and allow us to remember you. We use this information in order to improve and customize your browsing experience and for analytics and metrics about our visitors both on this website and other media. To find out more about the cookies we use, see our Cookie Statement. If you decline, your information won’t be tracked when you visit this website. A single cookie will be used in your browser to remember your preference not to be tracked. Find out more here.
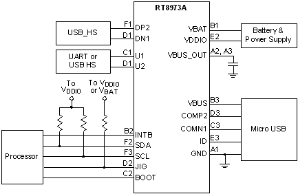
RT8973A是具有配件檢測能力的USB介面開關,可防止低壓系統受到不正常高壓 (高達28V) 造成的損壞,支援高速USB操作,使用I2C控制介面。RT8973A通過出現在USB介面ID引腳和VBUS的電壓信號完成設備檢測功能,因為ID引腳上的阻抗和VBUS電壓的組合標示了不同配件的獨特特性。主機微處理器能通過I2C介面控制開關連接位置,讀出配件檢測的結果。在對USB介面充電器的識別方面,RT8973A能分辨出專用的充電器(D+/D-短路)和大功率主機/共用器充電介面。
支援高速USB操作
支援UART切換
設備插入和拔出時發出中斷信號
保護動作可引發中斷
預設啟動模式支援工廠作業
相容BCD 1.2電池充電器檢測標準
直流適配器28V保護能力
VBUS通道集成過壓/過流保護開關,可在故障情形下斷開連接
I2C控制介面
訂閱接收最新產品訊息 (請先登入)
.
Please check your email box and click validation url.