RT2825

4.5V to 18V, 5A/5A Dual Synchronous Step-Down Converter

RT2825
New

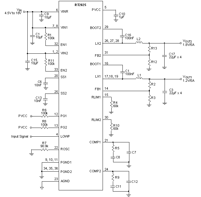
The RT2825 features two synchronous wide input range high efficiency buck converters that cab deliver up to 5A/5A output current from a 4.5V to 18V input supply. The converters are designed to simplify its application while giving the designer the option to optimize their usage according to the target application. The converters can operate in 5V, 9V, 12V or 15V systems and have integrated power transistors. The RT2825's current mode architecture allows the transient response to be improved. Cycle-by-cycle current limit provides protection against shorted outputs.

Each converter features enable pin that allows a delayed start-up for sequencing purposes, soft start pin that allows adjustable soft-start time by choosing the soft-start capacitor, and a current limit (RLIMx) pin that enables designer to adjust current limit by selecting an external resistor and optimize the choice of inductor. The COMP pin allows optimizing transient versus dc accuracy response with a simple RC compensation.

The switching frequency of the converters can either be set with an external resistor connected to ROSC pin or can be synchronized to an external clock if needed. The switching regulators are designed to operate from
200kHz to 1MHz. The converters operate with 180° phase between two channels to minimize the input filter requirements.

The RT2825 also features a low power mode enabled by an external signal, which allows for a reduction on the input power supplied to the system when the host processor is in stand-by (low activity) mode.

The RT2825 is available in a VQFN-36L 6x6 package.

Applications

  • DTV
  • TCON
  • BDVD
  • Set Top Boxes
  • Tablet

Key Spec.

RT2825
Status EOL
Vin (min) (V) 4.5
Vin (max) (V) 18
Number of Outputs 2
Vout (min) (V) 0.6
Vout (max) (V) 5
Output Adj. Method Resistor
Iout (max) (A) 5
Current Limit (typ) (A) 8.4
Freq (min) (kHz) 200
Freq (max) (kHz) 1000
Ext Sync Yes
Ron_HS (typ) (mOhm) 31
Ron_LS (typ) (mOhm) 23
Iq (typ) (mA) 2.6
Features Adjustable Current Limit;Adjustable Frequency;Adjustable Soft-Start;Current Mode Control;Cycle-by-Cycle Current Limit;External Synchronization;OCP;OTP;OVP;Power Good;SCP;Stable with Ceramic Capacitor;UVP
Package Type VQFN6x6-36L

Features

  • Wide Input Supply Voltage Range : 4.5V to 18V

  • Fully Integrated Dual-Buck, Up to 5A/5A

  • Adjustable Switching Frequency 200kHz to 1MHz Set by External Resistor or SYNC Signal

  • Dedicated Enable/Soft-Start for Each Buck

  • Current Mode Control with Simple Compensation Circuit

  • Adjustable Cycle-by-Cycle Current Limit Set by External Resistor

  • Over-Temperature Protection

  • Power Good Indicator

  • Discontinuous Operating Mode at Light Load when LOWP = L

  • 1% VREF Accuracy

  • RoHS Compliant and Halogen Free