RT5784A/RT5784B

2A, 6V, 1.5MHz, 25μA IQ, ACOT® Synchronous Step-Down Converter

RT5784A/RT5784B
New

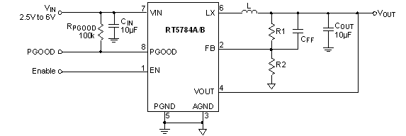
The RT5784A/B is a high-performance, Advanced Constant On-Time (ACOTTM) monolithic synchronous step-down DC/DC converter that can deliver up to 2A output current from a 2.5V to 6V input supply. The proprietary ACOT control architecture features quick transient response and provides stable operation with small ceramic output capacitors and without complicated external compensation. The switching ripple voltage is easily smoothed-out by small package filtering elements due to a constant switching frequency of 1.5MHz and the maximum duty cycle of 100% allows the device to operate at low dropout use. With internal low on-resistance power switches and extremely low quiescent current, the RT5784A/B displays excellent efficiency and good behavior across a range of applications. Cycle-by-cycle current limit provides protection against shorted outputs, input under-voltage lock-out, output under-voltage protection, and thermal shutdown provide safe and smooth operation in all operating conditions. The RT5784A/B is available in the WDFN-8JL 2x1.5 (FC) package.

Applications

  • Mobile Phones and Handheld Devices
  • STB, Cable Modem, and xDSL Platforms
  • WLAN ASIC Power / Storage (SSD and HDD)
  • General Purpose for POL LV Buck Converter

Key Spec.

RT5784A RT5784B
Status Active Active
Vin (min) (V) 2.5 2.5
Vin (max) (V) 6 6
Number of Outputs 1 1
Vout (min) (V) 0.6 0.6
Vout (max) (V) 6 6
Output Adj. Method Resistor Resistor
Iout (max) (A) 2 2
Current Limit (typ) (A) 2.5 2.5
Freq (typ) (kHz) 1500 1500
Ext Sync No No
Ron_HS (typ) (mOhm) 100 100
Ron_LS (typ) (mOhm) 60 60
Iq (typ) (mA) 0.025 0.6
Features 100% Duty Cycle;ACOT Control;Cycle-by-Cycle Current Limit;Enable Input;Fast Transient Response;OCP;OTP;PSM;Power Good;Stable with Ceramic Capacitor;UVP 100% Duty Cycle;ACOT Control;Cycle-by-Cycle Current Limit;Enable Input;Fast Transient Response;OCP;OTP;Power Good;Stable with Ceramic Capacitor;UVP
Package Type WDFN2x1.5-8J(FC) WDFN2x1.5-8J(FC)

Features

  • Dramatically Fast Transient Response

  • Steady 1.5MHz ±200kHz Switching Frequency

  • Very Low Input Quiescent and Shutdown Currents

  • Advanced COT Control Loop Design

  • Optimized for Ceramic Output Capacitors

  • 2.5V to 6V Input Voltage Range

  • Accurate Voltage Reference 0.6V ±2%

  • Integrated 100mΩ/60mΩ MOSFETs

  • Internal Start-Up into Pre-biased Outputs

  • Power Good Indicator

  • Enable Control

  • Over-Current and Over-Temperature Protections

  • Under-Voltage Protection with Hiccup Mode

  • RoHS Compliant and Halogen Free

RT5784AGQWF
Package Type:WDFN2x1.5-8J(FC)

Evaluation Boards