RT6278A/RT6278B

23V, 8A, 500kHz ACOT® Synchronous Step-Down Converter

RT6278A/RT6278B
New

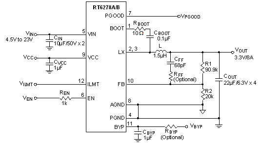
The RT6278A/B is a simple, easy-to-use, 8A synchronous step-down DC-DC converter with an input supply voltage range of 4.5V to 23V. The device build-in an accurate 0.6V reference voltage and integrates low RDS(ON) power MOSFETs to achieve high efficiency in a UQFN-12HL 3x3 package. The RT6278A/B adopts Advanced Constant On-Time (ACOT®) control architecture to provide an ultrafast transient response with few external components and to operate in nearly constant switching frequency over the line, load, and output voltage range. The RT6278A operates in automatic PSM that maintains high efficiency during light load operation. The RT6278B operates in Forced PWM that helps meet tight voltage regulation accuracy requirements. The RT6278A/B senses both FETs current for a robust over-current protection. It features cycle-by-cycle current limit protection and prevent the device from the catastrophic damage in output short circuit, over current or inductor saturation. A built-in soft-start function prevents inrush current during start-up. The device also includes input under-voltage lockout, output under-voltage protection, over-voltage protection, and over-temperature protection (thermal shutdown) to provide safe and smooth operation in all operating conditions. The RT6278A/B is offered in a UQFN-12HL 3x3(FC) package.

Applications

  • Industrial and Commercial Low Power Systems
  • Computer Peripherals
  • LCD Monitors and TVs
  • Green Electronics/Appliances
  • Point of Load Regulation for High-Performance DSPs, FPGAs, and ASICs
  • Networking Communication

Key Spec.

RT6278A RT6278B
Status Active Active
Vin (min) (V) 4.5 4.5
Vin (max) (V) 23 23
Number of Outputs 1 1
Vout (min) (V) 0.6 0.6
Vout (max) (V) 6 6
Output Adj. Method Resistor Resistor
Iout (max) (A) 8 8
Current Limit (typ) (A) 10;12;8 10;12;8
Freq (typ) (kHz) 500 500
Ext Sync No No
Ron_HS (typ) (mOhm) 24 24
Ron_LS (typ) (mOhm) 12 12
Iq (typ) (mA) 0.13 0.13
Features ACOT Control;Adjustable Current Limit;Cycle-by-Cycle Current Limit;Enable Input;Fast Transient Response;Force PWM;OCP;OTP;OVP;PSM;Power Good;Stable with Ceramic Capacitor;UVP;Ultrasonic Mode Control ACOT Control;Adjustable Current Limit;Cycle-by-Cycle Current Limit;Enable Input;Fast Transient Response;Force PWM;OCP;OTP;OVP;Power Good;Stable with Ceramic Capacitor;UVP
Package Type UQFN3x3-12H(FC) UQFN3x3-12H(FC)

Features

  • 8A Converter With Built-In 24mΩ/12mΩ Low RDS(ON) Power FETs

  • Input Supply Voltage Range : 4.5V to 23V

  • Output Voltage Range : 0.6V to 6V

  • Advanced Constant On-Time (ACOT®) Control
    ► Ultrafast Transient Response
    ► No Needs For External Compensations
    ► Optimized for Low-ESR Ceramic Output Capacitors

  • 0.6V ±1% High-Accuracy Feedback Reference Voltage

  • Optional for Operation Modes :
    ► Power Saving Mode (PSM) (RT6278A)
    ► Forced PWM Mode (RT6278B)

  • Fixed Switching Frequency : 500kHz

  • Built-In Internally Fixed Soft-Start (Typ. 0.4ms)

  • Input Under-Voltage Lockout (UVLO)

  • Output Under-Voltage Protection (UVP) with Hiccup Mode

  • Output Over-Voltage Protection (OVP) with Auto-Recovery Mode

  • Ultrasonic Mode (USM) for RT6278A

  • Available In UQFN-12HL 3x3 (FC) (U-Type) Package

RT6278BHGQUF
Package Type:UQFN3x3-12H(FC)

Evaluation Boards