loading

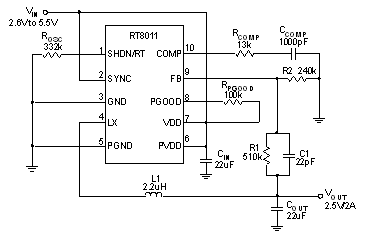
The RT8011/A is a high efficiency synchronous, step-down DC/DC converter. Its input voltage range is from 2.6V to 5.5V and provides an adjustable regulated output voltage from 0.8V to 5V while delivering up to 2A of output current.
The internal synchronous low on-resistance power switches increase efficiency and eliminate the need for an external Schottky diode. Switching frequency is set by an external resistor or can be synchronized to an external clock. 100% duty cycle provides low dropout operation extending battery life in portable systems. Current mode operation with external compensation allows the transient response to be optimized over a wide range of loads and output capacitors.
RT8011/A operation in forced continuous PWM Mode which minimizes ripple voltage and reduces the noise and RF interference.
100% duty cycle in Low Dropout Operation further maximize battery life.

Applications

  • Portable Instruments
  • Battery-Powered Equipment
  • Notebook Computers
  • Distributed Power Systems
  • IP Phones
  • Digital Cameras
Key Spec.
RT8011 RT8011A
Status NRND NRND
Vin (min) (V) 2.6 2.6
Vin (max) (V) 5.5 5.5
Number of Outputs 1 1
Vout (min) (V) 0.8 0.8
Vout (max) (V) 5 5
Output Adj. Method Resistor Resistor
Iout (max) (A) 2 2
Current Limit (typ) (A) 3.2 3.2
Freq (typ) (kHz) 1000 1000
Freq (min) (kHz) 300 300
Freq (max) (kHz) 4000 4000
Ext Sync Yes Yes
Ron_HS (typ) (mOhm) 110 110
Ron_LS (typ) (mOhm) 110 110
Iq (typ) (mA) 0.46 0.46
Features 100% Duty Cycle;Adjustable Frequency;Current Mode Control;External Synchronization;OCP;Power Good;Stable with Ceramic Capacitor;UVP 100% Duty Cycle;Adjustable Frequency;Current Mode Control;External Synchronization;OCP;Power Good;Stable with Ceramic Capacitor;UVP
Package Type WDFN3x3-10;WDFN3x3-8E WDFN3x3-10;WDFN3x3-8E
Outline Dimension, Footprint, Drawing Download Download
Features
  • High Efficiency : Up to 95%
  • Low RDS(ON) Internal Switches : 110mΩ
  • Programmable Frequency : 300kHz to 4MHz
  • No Schottky Diode Required
  • 0.8V Reference Allows Low Output Voltage
  • Forced Continuous Mode Operation
  • Low Dropout Operation : 100% Duty Cycle
  • Synchronizable Switching Frequency (For RT8011 Only)
  • Power Good Output Voltage Monitor (For RT8011 Only)
  • RoHS Compliant and 100% Lead (Pb)-Free
Technical Documents
TitleItem TypeLast UpdateDownload
Richtek Featured Product Tree [Aug., 2023] Selection Guide2023/08/07
Reference Design
TitleLast UpdateDownload
Richtek Load Transient Tool2022/07/25
Part NumberPackage TypePackage Qty.DistributorStockBuy From Authorized Distributor
RT8011AGQWWDFN3x3-8E1,500 Digikey 0 Lead-Time: 14 weeks
1,300 Buy
TOP