RT8036

One Step Down DC/DC Converter and Four Linear Regulators with Individual On/Off Control

RT8036
New

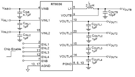
The RT8036 is an integrated power management unit which integrates one 600mA high efficiency step down DC/DC converter and four low dropout voltage regulators with 300mA current capability for each regulator.
The RT8036 is optimized for sub block power requirement solution. The individual on/off control for each device can provide flexibility for different power on sequence. Four linear regulators provide high PSRR output and are suitable for both analog and digital power.
The RT8036 is available in the WQFN-20L 3x3 package that is suitable for portable device.

Applications

  • Smart Handheld device
  • Cellular phone

Key Spec.

RT8036A RT8036B RT8036C RT8036D RT8036E RT8036F
Status Active Active Active Active Active Active
Vin (min) (V) 2.5 2.5 2.5 2.5 2.5 2.5
Vin (max) (V) 5.5 5.5 5.5 5.5 5.5 5.5
Number of Outputs 5 5 5 5 5 5
Vout (min) (V) 1 1.2;1.8 1.3;1.8 1.3;1.8 1.3;1.8 1
Vout (max) (V) 1;3.3 1.2;2.8 1.3;2.8 1.3;3 1.3;3.3 3.3
Output Adj. Method Fixed Fixed Fixed Fixed Fixed Fixed
Iout (max) (A) 0.3;0.6 0.3;0.6 0.3;0.6 0.3;0.6 0.3;0.6 0.3;0.6
Current Limit (typ) (A) 1.8 1.8 1.8 1.8 1.8 1.8
Freq (typ) (kHz) 1500 1500 1500 1500 1500 1500
Ext Sync No No No No No No
Ron_HS (typ) (mOhm) 280 280 280 280 280 280
Ron_LS (typ) (mOhm) 250 250 250 250 250 250
Iq (typ) (mA) 0.04 0.04 0.04 0.04 0.04 0.04
Features 100% Duty Cycle;Current Mode Control;Enable Input;Internal Compensation;OCP;OTP;PSM;Stable with Ceramic Capacitor 100% Duty Cycle;Current Mode Control;Enable Input;Internal Compensation;OCP;OTP;PSM;Stable with Ceramic Capacitor 100% Duty Cycle;Current Mode Control;Enable Input;Internal Compensation;OCP;OTP;PSM;Stable with Ceramic Capacitor 100% Duty Cycle;Current Mode Control;Enable Input;Internal Compensation;OCP;OTP;PSM;Stable with Ceramic Capacitor 100% Duty Cycle;Current Mode Control;Enable Input;Internal Compensation;OCP;OTP;PSM;Stable with Ceramic Capacitor 100% Duty Cycle;Current Mode Control;Enable Input;Internal Compensation;OCP;OTP;PSM;Stable with Ceramic Capacitor
Package Type WQFN3x3-20 WQFN3x3-20 WQFN3x3-20 WQFN3x3-20 WQFN3x3-20 WQFN3x3-20

Features

  • Four Low Noise LDOs for Up to 300mA

  • One High Efficiency Synchronous Buck Up to 600mA Output

  • Individual On/Off Control for Each Output

  • Small 20-Lead WQFN Package

  • RoHS Compliant and Halogen Free

Datasheet