loading

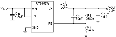
The RT8057A is a high efficiency Pulse-Width-Modulated (PWM) step-down DC/DC converter, capable of delivering 1A output current over a wide input voltage range from 2.7V to 5.5V. The RT8057A is ideally suited for portable electronic devices that are powered from 1-cell Li-ion battery or from other power sources such as cellular phones, PDAs, hand-held devices, game console and related accessories.The internal synchronous rectifier with low RDS(ON) dramatically reduces conduction loss at PWM mode. No external Schottky diode is required in practical applications. The RT8057A enters Low Dropout Mode when normal Pulse-Width Mode cannot provide regulated output voltage by continuously turning on the upper P-MOSFET. The RT8057A enters shut-down mode and consumes less than 1μA when the EN pin is pulled low. The switching ripple is easily smoothed-out by small package filtering elements due to a fixed operating frequency of 2.25MHz.The RT8057A is available in a small WDFN-6SL 2x2 package.

Applications

  • Portable Instruments
  • Game Console and Accessories
  • Microprocessors and DSP Core Supplies
  • Cellular Phones
  • Wireless and DSL Modems
  • PC Cards
Additional Documents
Title Last Update ShareDownload
Power Management Components for Lithium-Ion Battery Powered Applications
鋰離子電池電源管理IC選擇指南
2020/12/07
Reference Design
TitleLast UpdateDownload
Richtek Load Transient Tool2022/07/25
TOP