RT8097B

2A, 1MHz, 6V CMCOT Synchronous Step-Down Converter

RT8097B
New

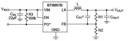
The RT8097B is a high efficiency synchronous step-down DC-DC converter. Its input voltage range is from 2.7V to 6V and provides an adjustable regulated output voltage from 0.6V to 3.4V while delivering up to 2A of output current.

The internal synchronous low on-resistance power switches increase efficiency and eliminate the need for an external Schottky diode. The Current Mode Constant-On-time (CMCOT) operation with internal compensation allows the transient response to be optimized over a wide range of loads and output capacitors. The RT8097B is available in the SOT-23-5/6 package.

Applications

  • STB, Cable Modem, & xDSL Platforms
  • LCD TV Power Supply & Metering Platforms
  • General Purpose Point of Load (POL)

Key Spec.

RT8097B
Status Active
Vin (min) (V) 2.7
Vin (max) (V) 6
Number of Outputs 1
Vout (min) (V) 0.6
Vout (max) (V) 3.4
Output Adj. Method Resistor
Iout (max) (A) 2
Current Limit (typ) (A) 3.1
Freq (typ) (kHz) 1000
Ext Sync No
Ron_HS (typ) (mOhm) 100
Ron_LS (typ) (mOhm) 70
Iq (typ) (mA) 0.3
Features Cycle-by-Cycle Current Limit;Enable Input;Force PWM;Internal Compensation;OCP;OTP;OVP;Power Good;Stable with Ceramic Capacitor;UVP
Package Type SOT-25;SOT-26

Features

  • Efficiency Up to 95%

  • RDSON 100mΩ HS / 70mΩ LS

  • VIN Range 2.7V to 6V

  • VREF 0.6V with ±1.2% Accuracy at 25°C

  • CMCOTTM Control Loop Design for Best Transient Response, Robust Loop Stability with Low-ESR (MLCC) COUT

  • Soft-Start 1.2ms; PGOOD Function in SOT-23-6

RT8097BHGE
Package Type:SOT-26