RT8283A

3A, 23V, 340kHz Synchronous Step-Down Converter

RT8283A
New

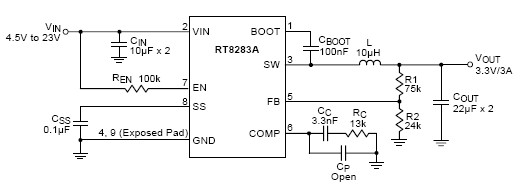
The RT8283A is a high efficiency, monolithic synchronous step-down DC/DC converter that can deliver up to 3A output current from a 4.5V to 23V input supply. The RT8283A's current mode architecture and external compensation allow the transient response to be optimized over a wide range of loads and output capacitors. Cycle-by-cycle current limit provides protection against shorted outputs and soft-start eliminates input current surge during start-up. The RT8283A also provides output under voltage protection and thermal shutdown protection. The low current (<3μA) shutdown mode provides output disconnect, enabling easy power management in battery-powered systems. The RT8283A is available in a SOP-8 (Exposed Pad) package.

Applications

  • Wireless AP/Router
  • Set-Top-Box
  • Industrial and Commercial Low Power Systems
  • LCD Monitors and TVs
  • Green Electronics/Appliances
  • Point of Load Regulation of High-Performance DSPs

Key Spec.

RT8283A
Status NRND
Vin (min) (V) 4.5
Vin (max) (V) 23
Number of Outputs 1
Vout (min) (V) 0.8
Vout (max) (V) 20
Output Adj. Method Resistor
Iout (max) (A) 3
Current Limit (typ) (A) 5.8
Freq (typ) (kHz) 340
Ext Sync No
Ron_HS (typ) (mOhm) 85
Ron_LS (typ) (mOhm) 85
Iq (typ) (mA) 0.8
Features Adjustable Soft-Start;Current Mode Control;Cycle-by-Cycle Current Limit;Enable Input;Force PWM;OCP;OTP;Stable with Ceramic Capacitor;UVP
Package Type PSOP-8

Features

  • ±1.5% High Accuracy Feedback Voltage

  • 4.5V to 23V Input Voltage Range

  • 3A Output Current

  • Integrated N-MOSFET Switches

  • Current Mode Control

  • Fixed Frequency Operation : 340kHz

  • Output Adjustable from 0.8V to 20V

  • Up to 95% Efficiency

  • Programmable Soft-Start

  • Stable with Low-ESR Ceramic Output Capacitors

  • Cycle-by-Cycle Over Current Protection

  • Input Under Voltage Lockout

  • Output Under Voltage Protection

  • Thermal Shutdown Protection

  • RoHS Compliant and Halogen Free