RTQ2104-QA

36VIN, 3A, High Efficiency, 2.1MHz, Synchronous Step-Down Converter with Low Quiescent Current

RTQ2104-QA
New Hot

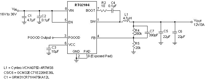
The RTQ2104 is a 3A, high-efficiency, current mode synchronous step-down converter which is optimized for automotive applications. The device operates with input voltages from 3V to 36V and is protected from load dump transients up to 42V, eases input surge protection design. The device can program the output voltage between 0.8V to VIN. The low quiescent current design with the integrated low RDS(ON) power MOSFETs achieves high efficiency over the wide load range. The peak current mode control with simple internal compensation allows the use of small inductors and results in fast transient response and good loop stability. The ultra-low minimum on-time enable constant-frequency operation even at very high step down ratios. The build-in spread-spectrum frequency modulation further helping systems designers with better EMC management.

The RTQ2104 provides complete protection functions such as input under voltage lockout, output under voltage protection, over current protection, and thermal shutdown. Cycle-by-cycle current limit provides protection against shorted outputs and soft-start eliminates input current surge during start-up. The RTQ2104 is available in SOP-8 (Exposed Pad) package.

Applications

  • Automotive Systems
  • Car Camera Module and Car Cockpit Systems
  • Connected Car Systems
  • Point of Load Regulator in Distributed Power Systems
  • Digital Set Top Boxes
  • Broadband Communications

Key Spec.

RTQ2104B-QA RTQ2104-QA
Status Active Active
Vin (min) (V) 3 3
Vin (max) (V) 36 36
Number of Outputs 1 1
Vout (min) (V) 0.8 0.8
Vout (max) (V) 36 36
Output Adj. Method Resistor Resistor
Iout (max) (A) 3 3
Current Limit (typ) (A) 5 5
Freq (typ) (kHz) 2100 2100
Ext Sync No No
Ron_HS (typ) (mOhm) 80 80
Ron_LS (typ) (mOhm) 80 80
Iq (typ) (mA) 1.2 0.04
Features 100% Duty Cycle;AEC-Q100;Current Mode Control;Cycle-by-Cycle Current Limit;Enable Input;Internal Compensation;Low Dropout;OCP;OTP;OVP;Power Good;SCP;Stable with Ceramic Capacitor;UVP 100% Duty Cycle;AEC-Q100;Current Mode Control;Cycle-by-Cycle Current Limit;Enable Input;Internal Compensation;Low Dropout;OCP;OTP;OVP;PSM;Power Good;SCP;Stable with Ceramic Capacitor;UVP
Package Type PSOP-8 PSOP-8

Features

  • AEC-Q100 Grade 1 Qualified

  • Wide Input Voltage Range
    ► 4V to 36V
    ► 3V to 36V (Soft-start is finished)

  • Wide Output Voltage Range : 0.8V to VIN

  • Maximum Output Current : 3A

  • Peak Current Mode Control

  • Integrated 80mΩ Switch and 80mΩ Synchronous Rectifier

  • Low Quiescent Current : 40μA

  • Fast 60ns Minimum Switch On-Time

  • Ultra-Short 65ns Minimum Switch Off-Time

  • Fixed Switching Frequency : 2.1MHz

  • PSM/FPWM at Light Load by Part Number Option

  • Built-In Spread-Spectrum Frequency Modulation for Low EMI

  • Power Good Indication

  • Enable Control

  • 0.8V ±1.5% Reference Accuracy

  • Adjacent Pin-Short Protection

  • Built-In UVLO, OCP, UVP, OTP