This website stores cookies on your computer. These cookies are used to collect information about how you interact with our website and allow us to remember you. We use this information in order to improve and customize your browsing experience and for analytics and metrics about our visitors both on this website and other media. To find out more about the cookies we use, see our Cookie Statement. If you decline, your information won’t be tracked when you visit this website. A single cookie will be used in your browser to remember your preference not to be tracked. Find out more here.
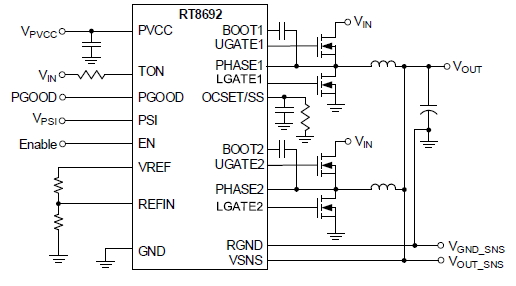
The RT8692 is a 2/1 phase synchronous Buck PWM controller optimized for high performance graphic microprocessor. The IC integrates a Constant-On-Time (COT) PWM controller, two MOSFET drivers with internal bootstrap diodes, as well as channel current balance and protection functions including overvoltage protection (OVP), undervoltage protection (UVP), current limit, and thermal shutdown into the WQFN-20L 3x3 package.The RT8692 adopts RDS(ON) current sensing technique. Current limit is accomplished through continuous inductor current sensing, while RDS(ON) current sensing is used for accurate channel current balance. Using the method of current sampling utilizes the best advantages of each technique.The RT8692 features external reference input control, of which the feedback voltage is regulated and tracks external input reference voltage. Other features include adjustable switching frequency, dynamic phase number control, internal soft-start, power good indicator, and enable functions.
Dual-Phase PWM Controller
VOUT Operating Range: 0.3V to 2V
1% High Accuracy 2V Reference
Differential Remote Voltage Sensing
Power State Indicator ► 1P-CCM/2P-CCM/1P-DEM/2P-DEM
Two Embedded MOSFET Drivers and Embedded Switching Boot Diode
External Reference Input Control
Dynamic Phase Number Control
Lossless RDS(ON) Current Sensing for Current Balance
Internal/External Soft-Start
Adjustable Current-Limit Threshold
Adjustable Switching Frequency
UVP/OVP Protection
Shoot Through Protection and Short Pulse Free Technology
Thermal Shutdown
Power Good Indicator (EN to PG high = 500μs)
Subscribe to receive the latest product news. (Login required)
.
Please check your email box and click validation url.